Швидкозатискний затиск з ковзаючим стержнем 6844
Код: 13451827196
4163 грн
Ціна вказана з доставкою в Україну
Товар є в наявності
ЯК ЕКОНОМИТИ НА ДОСТАВКЕ?
Замовляйте велику кількість товарів у цього продавця
Інформація
- Час доставки: 7-10 днів
- Стан товару: новий
- Доступна кількість: 32
Оплачивая «Швидкозатискний затиск з ковзаючим стержнем 6844» данное изделие из «Сжимает» вы можете быть уверены, что после оформления заказа, доставки в Украину, вы получите именно то, что заказывали, в оговоренные сроки и европейского качества.
Швидкий зажим із ковзною планкою 6844 ESD розмір 3 AMF
Передній затискач із ковзаючою штангою ESD
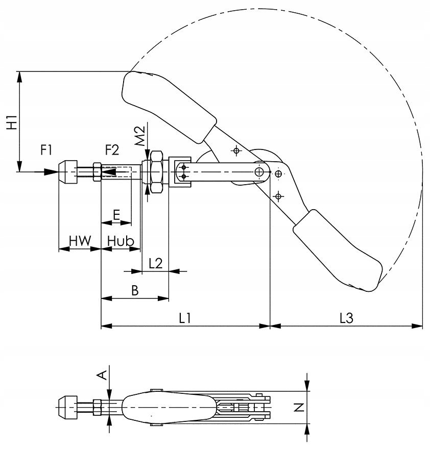
Технічні дані
- Розмір: 3
- F1: 2,5 кН
- F2: 2,5 кН
- Натискний гвинт: M8 x 35
- Вага: 320 г
- A : 12
- B: 57
- E: 25
- H: 33
- H1: 123
- Стрибок: 40
- HW min.: 22
- HW max.: 35
- L1: 108 < /li>
- L2: 16
- L3: 115
- M: M8 b>
- M2: M20 x 1,5
- N: 33
- WGNr.: W341
- Номер статті постачальники: 8238240003
- Обсяг поставки: 1 шт.
Каталожний номер: 72H_DRS_A6-562497
EAN: 4020772024024
