Скок гідравлічний привід 1432 Агрегат 24V 2,0 кВт 2,6cc 11l
- Час доставки: 7-10 днів
- Стан товару: новий
- Доступна кількість: 5
Покупая «Скок гидравлический привод 1432 Агрегат 24 В 2,0 кВт 2,6 куб.» данный товар из каталога «Гидравлические агрегаты» вы можете быть уверены, что после оформления заказа, доставки в Украину, вы получите именно то, что заказывали, в оговоренные сроки и европейского качества.
Телескопічний циліндр 5-ступінь Skok 1432 з агрегатом 24 В 2,0 кВт, 2,6 см3, 11L
Входить:
- Гідравлічний агрегат, насос з циліндром 12 В 2,0 кВт, 11L резерву, віддаленим контролем. [2833]
- Гідравлічний циліндр з розширюваним 1432 мм, потужністю до 12 тонн. 5-ступінчаста розширення. [0133]
Гідравлічний циліндр з 1432 мм ходом з гніздо
Виробник: SM-G (Schaw-Met Group)
Символ: ST-5 1432 (HC-ST5HW-1432-00)
Завдяки його будівництву у формі 5-го слайдів, Acteator Impodly Works In Teewights In Teewightle Зниження зазору транспортного засобу, причепа або висококласного меча. Сільське господарство, сади, лісове господарство чи будівництво.
Підсилена версія Максимальна ємність підйому 12 тонн
Слово про телескопи
Телескопічні циліндри складаються з декількох послідовно розширюючих сегментів - хромованих циліндричних рукавів. Це дозволяє досягти великого слайда приводу порівняно з його загальною довжиною після складання.
телескопи є приводами односторонні дії . Розширення починається, що приносить гідравлічну олію під тиском. Повернення приводу викликається функцією колектора , який вивільняє тиск з системи - опади є гравітаційними, найчастіше під впливом навантаження навантажувальної коробки.
, щоб запобігти пошкодженню захисту плащів, спричиненого надмірним тиском у максимальному приводі, що розширює електрику). 4
Залежно від типу перевезених товарів, цей кут можна вибрати самостійно - таблиця нижче може бути корисною:
Таблиця вибору телескопічного циліндра
(таблиця стрибків, необхідна для нахилу причепа до потрібного кута ° )
Технічна специфікація:
- pi possi -
- Циліндра мм
- Поселення приводу: 128 мм
- Міжнародна тема: M22X Попит нафти: 5 літрів
Максимальний робочий тиск: 160BAR
Початок тиску: 0,5 МПа
Швидкість поршня/Складання: 0,5 м/с
. ° C до +60 ° C
-15 ° C до +80 ° Cтип стенокардії: різьбова труба з гвинта
поршня: хромет, олію, на основі MINERAL MILERAL MILERAL: Hydraulic на основі MINERAL MILERAL
гніздо φ45 мм
Гніздо призначене для циліндрів, які використовуються в причепах, автомобілях, причепах, сільськогосподарській техніці, з носиками.
Технічні специфікації:
- Зовнішній діаметр верхньої поверхні: φ109 мм
- Кульне гніздо з діаметром: φ45 мм
- Висота гнізда: 45 мм
Захищений двома кільцем Seger Plus Plus.
гніздо змащується Каламітом.
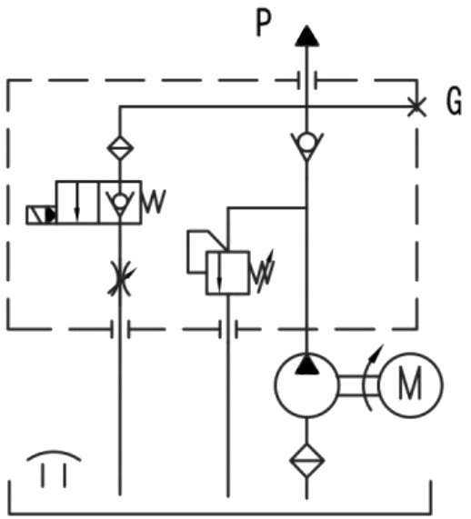
Гідравлічний агрегат 24v 2,0 кВт
MET код: [2833]
Виробник: SM-G (Schew Met Group)
це дозволяє контролювати односторонній акт.
Під впливом тиску привід поширюється, в той час як він ковзає за допомогою гравітаційних сил та піднятої ваги.
Агрегат завершений і готовий до роботи, просто підключіть дроти і наливайте масло. Рекомендована безперервна робота не більше 3 хвилин, перезапустившись через 5 хвилин відпочинку.
Додаток:
Агрегат ідеально підходить для електричних машин та пристроїв.
можна використовувати в сільському господарстві, садах, лісовому господарстві чи будівництві.
Він пристосований для роботи над вивантаженням навантажувальної коробки в причепах, сміттєвих вантажівках, гідропаках, порідах, підйомниках, завантажувальних платформах, ліфтах автомобілів, кранів, сільськогосподарських та промислових машин.
Технічна специфікація:
- Потужність двигуна: 2,0 кВт
- Електрична напруга: 24 v
- Ємність нафтового резервуара: 11 l
- Максимальний робочий тиск: 180 бар
- З'єднання внутрішнього потоку: 3/8 "
- Плоский клапан (безпека): Так
MMSMENS:
MMENSISION:
- Довжина резервуара: 440 мм
- Ширина агрегату: 170 мм
- Ширина резервуара: 170 мм
- Висота:
- Висота резервуара (від основи до кінчика пробки): 205 мм
пульт дистанційного керування з 2 кнопками
Тверда конструкція
Це виділений пульт дистанційного керування з двома кнопками , що використовуються в основному в гідравлічних агрегатах, що працюють від напруги 12В/24 В.
оснащений кріпленням кишені , який, якщо потрібно, може бути прикріплений до двох отворів діаметром 5 мм.
Задня частина пілота також має магніти , завдяки якому пульт дистанційного керування може бути прикріплений до металевих елементів.
Крім того, у віддаленому ольті ви знайдете кабель з довжиною близько 4,4 м з 3 -Pin -pin Plug.
Усі елементи були виготовлені лише з довговічних, високоякісних матеріалів.
Набір включає:
- Насос
- Електромотор
- Підключення пластини
- Танк
- Контроль дистанційного керування
Агрегат додатково має пластикову кришку двигуна та кріплення.
