Статор Makita до торцювальної пилки LS0714 LS0714L
- Час доставки: 7-10 днів
- Стан товару: новий
- Доступна кількість: 4
Заказывая «Статор Makita до торцювальної пилки LS0714 LS0714L» данное изделие из «Шлифовальные диски» вы можете быть уверены, что после оформления заказа, доставки в Украину, вы получите именно то, что заказывали, в оговоренные сроки и европейского качества.
* Статор Makita для торцювальної пилки LS0714, LS0714L, LS0714F, LS0714FL
новий оригінал
( поле )
- Виробник: Makita
- Код виробника: 634353-1 / 634558-3 / 594558-4
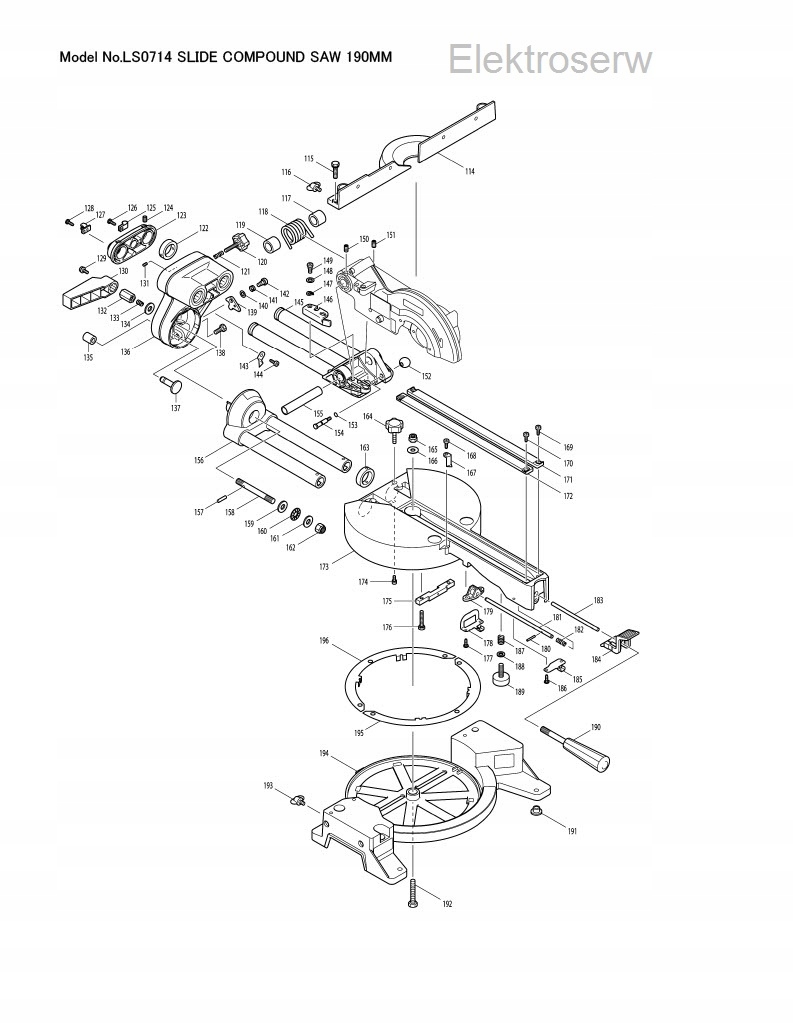
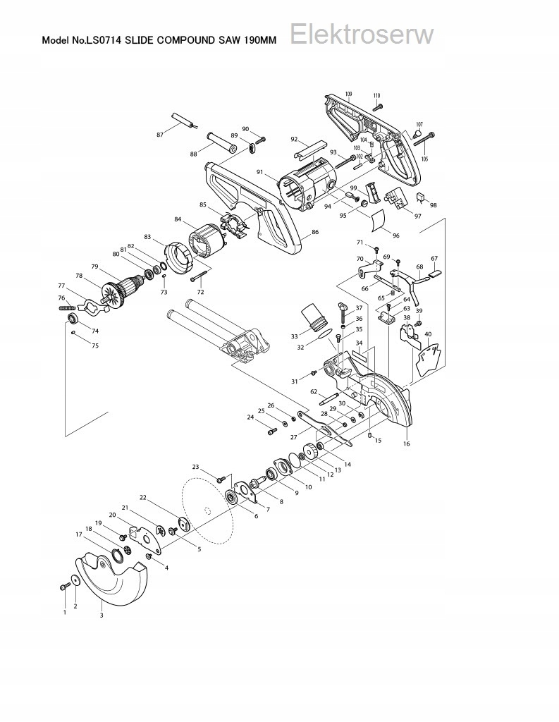
- Позиція на схемі: b> № 84 - LS0714
Застосування - торцювальна пила / торцювальна пила:
- LS0714
- LS0714L< /li>
- LS0714F
- LS0714FL
Перелік деталей для LS0714
позиція в артикулі, каталожний номер, опис товару, кількість:
001-1A; 265491-4 H.S. БОЛТ З ГОЛОВКОЮ М5Х16; 1
001-1Б; 265491-4 H.S. БОЛТ З ГОЛОВКОЮ М5Х16; 1
002; 267136-0 ШАЙБА 5 9046; 1
003-3Б; 458785-6 ЗАХИСНА КРИШКА; 1
003-4А; 458785-6 ЗАХИСНА КРИШКА; 1
004; 265008-3 ГВИНТ M5 LS1030/LS1013; 1
005-1А; 266733-9 6-СТОРОННИЙ ГВИНТ M6x16; 1
005-1Б; 266733-9 6-СТОРОННИЙ ГВИНТ M6x16; 1
006-1А; 224370-5 ВНУТРІШНІЙ ФЛАНЕЦЬ для 5704R/4131; 1
006-1Б; 224370-5 ВНУТРІШНІЙ ФЛАНЕЦЬ для 5704R/4131; 1
007; 285715-2 ФІРМА ПІДШИПНИКА 55 для LS0714; 1
008; 323798-5 ШПИНДЕЛЬ для LS0714; 1
009; 211129-9 ПІДШИПНИК 6201.; 1
010; 317037-3 КАРТРИДЖ ПІДШИПНИКА для LS0714F; 1
011; 213565-5 O-RING 42 для LS0714; 1
012; 257010-0 КІЛЬЦЕ 12 SP6000; 1
013; 226497-7 ПЕРЕДАЧА 47 для LS0714F; 1
014; 211021-9 ПІДШИПНИК 607; 1
015; 263005-3 ШТИФТ ГУМОВИЙ 9504BH/BOSS1900/9609...; 1
016-2А; 153951-7 КОРПУС ДЛЯ ЛЕЗА В КОМПЛЕКТЕ; 1
C10; 810968-0 ОБЕРЕЖНА ЕТИКЕТКА; 1
C20; 817667-5 ОБЕРЕЖНА ЕТИКЕТКА; 1
016-2Б; 153955-9 КОРПУС ЛЕЗА В ПОВНОСТІ; 1
C10; 810968-0 ОБЕРЕЖНА ЕТИКЕТКА; 1
C20; 817667-5 ОБЕРЕЖНА ЕТИКЕТКА; 1
017; 231934-8 ПРУЖИНА 24 LS0800/0810; 1
018-1А; 345589-4 ШАЙБА для LS0714; 1
018-1Б; 345589-4 ШАЙБА для LS0714; 1
019-1А; 266732-1 ГВИНТ M6x14; 1
019-1Б; 266732-1 ГВИНТ M6x14; 1
020; 344641-5 ЦЕНТРАЛЬНА КРИШКА для LS0714; 1
021-1А; 345585-2 ПЛАСТИНА для LS0714/L; 1
021-1Б; 345585-2 ПЛАСТИНА для LS0714/L; 1
022-1А; 224275-9 ЗОВНІШНЯ ГАЙКА 40 SR2100/2300/2600; 1
022-1Б; 224275-9 ЗОВНІШНЯ ГАЙКА 40 SR2100/2300/2600; 1
023; 911223-4 ГВИНТ; 2
024; 922331-6 ГВИНТ; 1
025; 253804-1 ШАЙБА U 6 4302C/6012HDW.; 1
026; 257163-5 КІЛЬЦЕ 6 LS1013; 1
027-1А; 154643-1 З'ЄДНУЮЧА ПЛАСТИНА для LS0714; 1
027-1Б; 154643-1 З'ЄДНУЮЧА ПЛАСТИНА для LS0714; 1
028; 257163-5 КІЛЬЦЕ 6 LS1013; 1
029; 253804-1 ШАЙБА U 6 4302C/6012HDW.; 1
030; 961018-5 БЕЗПЕКА Е-5; 1
031; 266061-2 ГВИНТ 4X8 JN1601; 1
032; 213460-9 О-КІЛЬЦЕ; 1
033-1А; 419277-0 НАСАДКА ДЛЯ ПИЛОВИДАЛЮВАННЯ для LF1000; 1
033-1Б; 419277-0 НАСАДКА ДЛЯ ПИЛОВИДАЛЮВАННЯ для LF1000; 1
035-1А; 266757-5 HEX. БОЛТ М6Х16 З ЦІЛЬНОЮ ГОЛОВКОЮ; 1
035-1Б; 266757-5 HEX. БОЛТ М6Х16 З ЦІЛЬНОЮ ГОЛОВКОЮ; 1
036-1А; 262190-9 УРЕТАНОВЕ КІЛЬЦЕ 5; 1
036-1Б; 262190-9 УРЕТАНОВЕ КІЛЬЦЕ 5; 1
037; 265717-4 ГВИНТ M6x43 для LS1013; 1
038-1А; 165414-1 КРИШКА для LS0714/L; 1
038-1Б; 345438-5 КРИШКА для LS0714; 1
039; 911113-1 ГВИНТ M4X10 911113-1; 1
040Б; 424045-8 ОХОРОНИЙ; 1
040-1А; 421626-9 (MKC) КРИШКА для LS0714; 1
062А; 324455-8 ШТИФТ для LS0714; 1
063А; 418655-1 ТРИМАЧ ВАЛА для LS0714; 1
064А; 266034-5 ГВИНТ 4X16 4304; 2
065А; 231316-4 ПРУЖИНА; 1
066А; 324456-6 ВАЛ 8 для LS0714; 1
067А; 421589-9 КРИШКА для LS1013; 1
068-1А; 345807-0 ВАЖІЛЬ ЗАМКА для LS0714; 1
069А; 911113-1 ГВИНТ M4X10 911113-1; 2
070А; 345436-9 РОЗМІЩНА ПЛАСТИНА для LS0714; 1
071А; 911113-1 ГВИНТ M4X10 911113-1; 2
072; 266046-8 ГВИНТ 5x50; 2
073; 263002-9 ГУМОВИЙ ШТИФТ SR1800/41KB/JS1650/9901; 1
074; 211101-1 ПІДШИПНИК 6001; 1
075; 263002-9 PIN
L.100
