Статор Metabo для кутової шліфувальної машини 311012980
- Час доставки: 7-10 днів
- Стан товару: Б/В
- Доступна кількість: 5
Просматривая «Статор Metabo для кутової шліфувальної машини 311012980» данное изделие из «Статоры» вы можете быть уверены, что после оформления заказа, доставки в Украину, вы получите именно то, что заказывали, в оговоренные сроки и европейского качества.
Зламаний статор:
* Статор Metabo для кутової шліфувальної машини WEA 17-125 Quick (00534000)
зламаний / металобрухт
На фотографії зображено новий статор - пропозиція стосується 4 штук - брудних / зламаних / уламків / ціною 40 злотих - підходить для перемотування.
Виробник:
Metabo
- Код виробника: 311012980
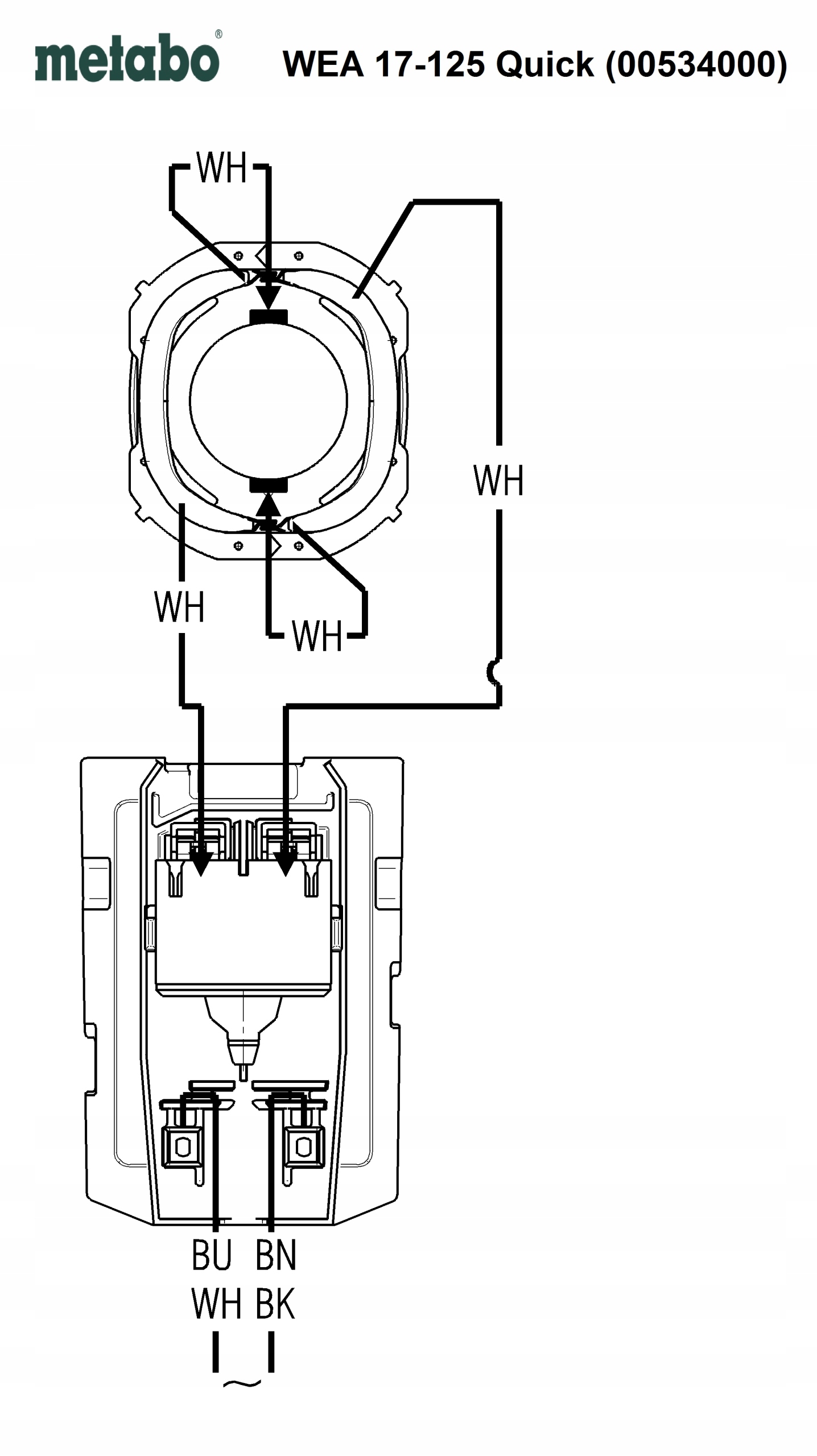
- Позиція на схемі: № 2 - WEA 17-125 Quick (00534000)
Застосування
кутова шліфувальна машина:
- WEA 17-125 Quick (00534000)
- WEA 17-125 Quick (00534001)
- WEA 17-125 Quick (00534180)
- WEA 17-125 Quick (00534181)
- WEA 17-125 Quick (00534190)
- WEA 17-125 Quick (00534191)
- WEA 17-125 Quick (00534390)
- WEABV 17-125 HD IK (21040000)
- WEABV 17-125 HD IK (21040001)
- WEABV 17-125 HD IK ( 21040002)
- WE 19-180 Quick RT (01088000)
- WEA 19-180 Quick RT (01095000)
- WEPBA 19-180 Quick RT (01099000)
- WEPBA 19-180 Quick RT IK (21054000)
- WEV 19-180 Quick RT IK (21072000)
- WEVPBA 19-180 RT IK (21059000)
Перелік деталей WEA 17-125 Quick (00534000)
місце на схемі, кількість, каталожний номер, опис пристрою:
1; 1; 310010990 КРИЛЬЧАТКА в комплекті, 230В
2; 1; 311012980 СТАТОР ЗІ СТАТОРОМ,230 В
3; 1; 343410120 Вимикач 2-х полюсний
4; 1; 399999990 ЧАСТИНА ТУТ НЕ ПОТРІБНА
5; 1; 399999990 ЧАСТИНА ТУТ НЕ ПОТРІБНА
6; 1; 343362490 КАБЕЛЬНИЙ ЗАЖИМ
7; 1; 315013520 КОРПУС ДВИГУНА З ДВОХ ЧАСТИН
8; 1; 339151180 ШАЙБА
9; 1; 339151200 ШАЙБА
10; 1; 343084110 МОДУЛЬ ЕЛЕКТРОНІКИ, 230 В 50/60 Гц
11; 1; 143115690 ПІДШИПНИК,6x19x6
12; 1; 344097870 ВТУЛКА ГУМОВА
13; 1; 339133060 ШАЙБА,8.05x17x0.4
14; 1; 143115700 ПІДШИПНИК,8x22x7
15; 1; 339006390 ШАЙБА,7,05x19,5x0,2
16; 1; 341100940 ГАЙКА 6 - КУТОВА
17; 1; 343433070 SHIFT
18; 1; 343433030 КРИШКА 15
19, 2 ЧАСТИНИ; 1; 343433100 ПРОБКА 11
20; 1; 343437100 ПЕРЕКЛЮЧАТЕЛЬ
23; 1; 339204500 КРИШКА,D125
24; 1; 314000970 АНТИВІБРАЦІЙНА РУЧКА, M 8
26; 1; 342022490 ПРУЖИНА
28; 2; 141121430 ГВИНТ
30; 1; 339012430 УЩІЛЬНЕННЯ
31; 4; 141121640 ГВИНТ DIN 7500
32; 4; 141116980 МЕТАЛЕВИЙ ГВИНТ ЛІНЗИ
33; 2; 141117060 МЕТАЛЕВИЙ ГВИНТ ЛІНЗИ
34; 1; 338060420 ТАБЛИЧКА
40; 1; 316063430 ШПИНДЕЛЬ ШЛІФУВАЛЬНОГО КРУГА В комплекті, WA M14
41; 1; 316055350 Комплект гайок, M14
42; 2; 141151120 ШАЙБА 10,2 X 14,8 X 0,2
43; 1; 141152300 ШАЙБА 10,2 X 14,8 X 0,1
44; 1; 141153920 ШАЙБА 10,2 X 14,8X 0,5
50; 1; 343433280 НАМІТНИК НАБІР
51; 1; 341102460 ГАЙКА
52; 1; 316054980 ШЕРСТЕРНЯ З ШИФТОМ
53; 1; 316066830 КОМПЛЕКТ ФРИКЦІЙНИХ ДИСКОВ
54; 1; 316055100 КОРПУС РЕСУРСІВ Compl.
55; 1; 316054340 МУФТА перевантаження з шестірнею
57; 1; 316054850 ВЕНТИЛЯТОР З ПРОТИПИЛОВОЮ КОРЗИНОЮ
58; 1; 316067170 Kohlebuerste m.Kohlehalter Set 230V
59; 1; 316066040 ЗАЖИМ ВАЖІЛЬ Compl.
61; 1; 141156650 КІЛЬЦЕ SEEGER
62; 1; 143196000 О - КІЛЬЦЕ
63; 1; 342003390 ПРУЖИНА
64; 1; 343433130 ЖОВТА КНОПКА
65; 1; 341515640 BOLEC
70; 1; 343433060 ТАХОМЕТР
71; 1; 343433090 ВАЖІЛЬ ПОКОРУШЕННЯ
72; 1; 339007800 ШАЙБА
92; 1; 143195640 О - КІЛЬЦЕ
880; 1; 344130920 МАСТИЛО 1 G
885; 1; 344130560 МАСТИЛО SF 011 50Gr 1.8oz
1001; 1; 338505780 СХЕМА ПІДКЛЮЧЕННЯ
1005; 1; 316067320 КАБЕЛЬ З Втулкою
