Свічка запалювання Makita для DPC7310 DPC7311 DPC8111
- Час доставки: 7-10 днів
- Стан товару: новий
- Доступна кількість: 10
Приобретая «Свічка запалювання Makita для DPC7310 DPC7311 DPC8111» данный товар из каталога «Свечи зажигания» вы можете быть уверены, что после оформления заказа, доставки в Украину, вы получите именно то, что заказывали, в оговоренные сроки и европейского качества.
*Makita Spark Plug NGK "R" BPMR7A for Petrol Concrete Cutter
New Original
( SPARK PLUG / POWER CUTTER )
- Виробник: Makita
- Код виробника: 168517-0
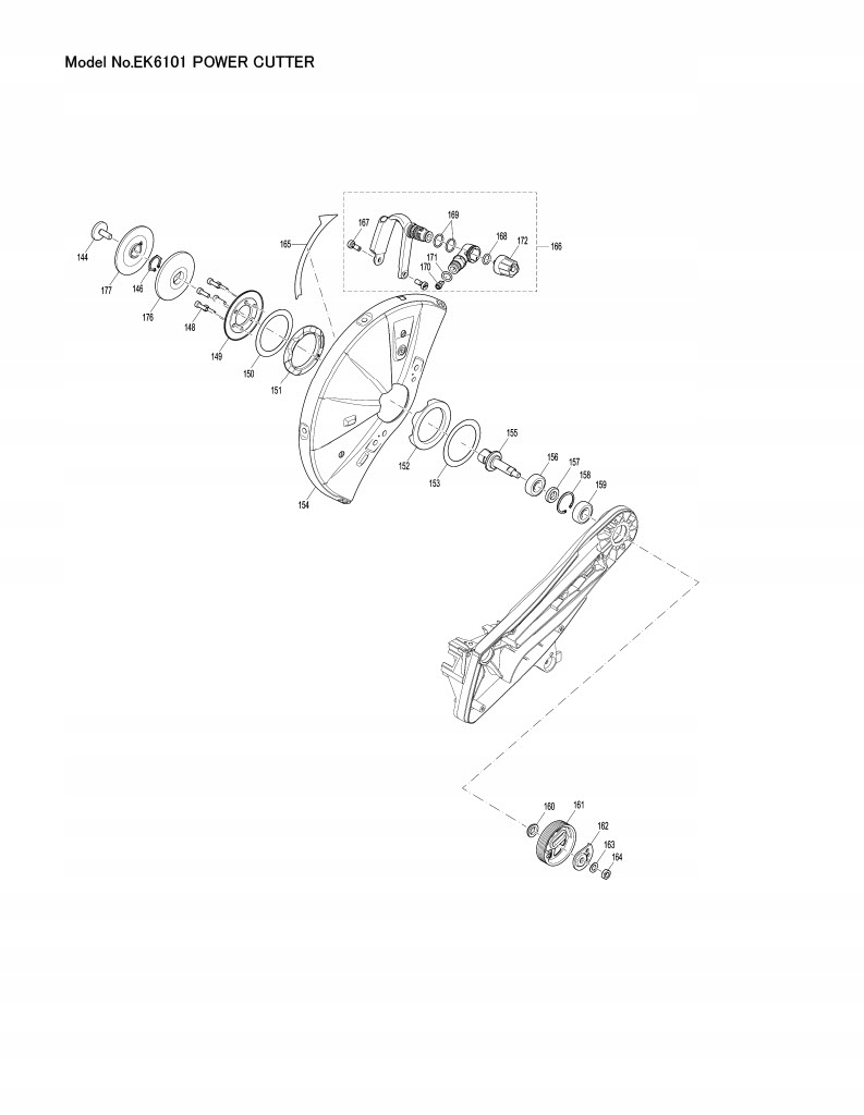
- Позиція на схемі: No. 104 - EK6101
Застосування:
бензоріз / пила для бетону:
- DPC6201
- DPC6401
- DPC6410
- DPC6411
- DPC7001
- DPC7301
- DPC7310
- DPC7311 < /li>
- DPC8111
- DPC8112
- DPC9501
- EK6100
- EK6101
- EK7301 li >
- EK8100
бензопила/бензопила:
- DCS34
- DCS430< /li >
- DCS4300I
- DCS431
- DCS520
- DCS5200I
- DCS6000I
- DCS6401
- DCS6800I
- DCS7301
- DCS7901
- DCS9000
- DCS9010
Стример :
- DBC300
- DBC340
- DBC4000
- DBC4010
- DBC4500 li>
- DBC4510
- DST300
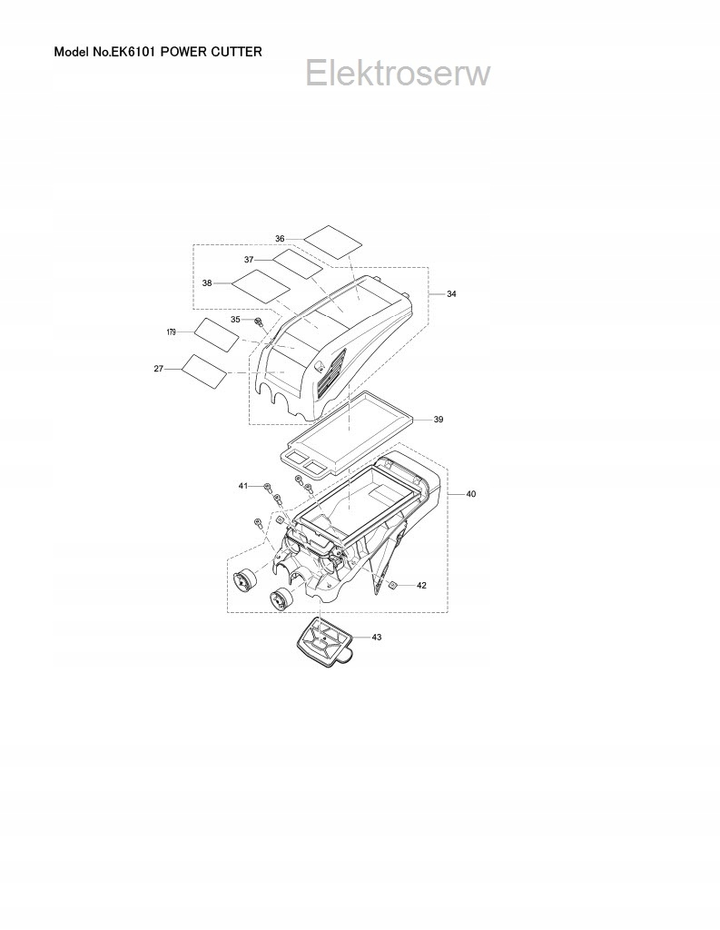
Перелік деталей для EK6101
позиція на схемі, каталожний номер, опис товару, кількість:
001; 123476-5 Внутрішня коробка передач cpl; 1
002; 143445-0 Допоміжний клапан; 1
003; 424170-5 Клапан; 1
004; 213829-7 Кришка вимикача 17; 2
005; 852C57-3 Кришка штока EK6101; 1
006; 264108-6 ГАЙКА КВАДРАТНА М5; 5
007; 456295-7 Зовнішня оболонка для ручки; 1
008; 266478-9 Комплект пластин важеля 5,5X16; 1
009; 424781-6 Плоска пружина стартера; 1
010; 163499-1 ВСАСІВНА ГОЛОВКА; 1
011; 424782-4 Паперові мішки; 1
012; 213826-3 Кришка вимикача 13; 1
013; 213827-1 Кришка вимикача 20; 1
014; 456299-9 Направляюча кришка штифта; 1
015; 141378-3 КРИШКА БАКУ В КОМПЛЕКТІ; 1
016; 213080-9 Кришка вимикача 29,5; 1
017; 346958-2 НИЖНИЙ ЛИСТ; 1
018; 266991-7 Комплект пластин важеля 5X15; 4
019; 266605-8 Розпірна пластина M5X16; 2
020; 143461-2 Ніжка стійки; 2
021; 266950-1 Розпірна пластина M6X14; 2
022; 143442-6 Кронштейн подвійний (настінний); 1
023; 143460-4 Ніжка стійки; 1
024; 143462-0 Ніжка стійки; 1
025; 266950-1 Розпірна пластина M6X14; 1
026; 266475-5 Комплект пластин важеля 5,5X20; 2
028; 456297-3 Клин; 1
029; 266990-9 Розпірна пластина M6X35; 1
030; 319369-4 ПІДСТАВКА; 1
031; 424788-2 Ніжка; 1
032; 266475-5 Комплект пластин важеля 5,5X20; 2
033; 424781-6 Плоска пружина стартера; 2
034; 143451-5 Кришка фільтра; 1
035; 266947-0 Розпірна пластина M5X14; 2
036; 807L79-2 Попереджувальний ярлик; 1
037; 807F55-0 Попереджувальна наклейка; 1
038; 807F56-8 Кришка перемикача наступна; 1
039; 424789-0 ПОВІТРЯНИЙ ФІЛЬТР; 1
040; 143490-5 Комплект щитка; 1
041; 266605-8 Розпірна пластина M5X16; 5
042; 264108-6 ГАЙКА КВАДРАТНА М5; 2
043-1; 422201-4 УПЛОТНЕННЯ ВПУСКНОГО КОЛЕКТОРА; 1
044; 456291-5 Колектор; 1
045; 346957-4 Шатун; 1
046; 456292-3 канал; 1
047; 264119-1 ШЕСТИГРАННА ГАЙКА М4; 4
048; 456294-9 Тримерна головка; 1
049; 233631-2 Ущільнювальна манжета; 1
050; 456293-1 Гвинт з грибоподібною головкою; 1
051; 326621-3 Установчий гвинт із шестигранною головкою та внутрішнім шестигранником; 1
052; 168398-2 НАСОС ЗАЛИВКИ; 1
053; 424785-8 ВІТОНОВА ТРУБА L=122мм; 1
054; 424783-2 ВІТОНОВА ТРУБА L=40мм; 1
055; 424784-0 ВІТОНОВА ТРУБА L=84мм; 1
056; 424786-6 ВІТОНОВА ТРУБА L=200мм; 1
057; 424787-4 ТРУБКА. ВІТОН 10X6 L=82MM; 1
058; 346956-6 Ремінь трансмісійний; 1
059; 346955-8 Набір плечових ременів; 1
060; 143440-0 ПРОМІЖНА СТІНА CPL. 1
062; 424780-8 Кришка фільтра сепаратора; 1
064; 424777-7 ВСІСНА ТРУБА; 2
065; 346867-5 Пластина циліндра cpl; 1
066; 424778-5 Прокладка ручки; 1
068; 143439-5 Блок; 1
069; 424795-5 Регулювальна пластина; 1
070-1; 326770-6 Направляюча кришка штифта; 1
071-1А; 251577-0 H.L. БОЛТ М5Х16 З ЦІЛЬНОЮ ГОЛОВКОЮ; 2
071-1Д; 251577-0 H.L. БОЛТ М5Х16 З ЦІЛЬНОЮ ГОЛОВКОЮ; 2
072-1А; 251577-0 H.L. БОЛТ М5Х16 З ЦІЛЬНОЮ ГОЛОВКОЮ; 2
072-1Д; 251577-0 H.L. БОЛТ М5Х16 З ЦІЛЬНОЮ ГОЛОВКОЮ; 2
073; 346951-6 Лінійний клапан; 1
074; 310674-2 Обмежувач клапана; 1
075; 266985-2 Розпірна пластина M4X8; 1
076; 346959-0 Сталева кулька; 1
077; 346876-4 Сальник глушника; 1
078; 161392-3 Комплект глушників; 1
080; 266605-8 Розпірна пластина M5X16; 3
<розташування B
