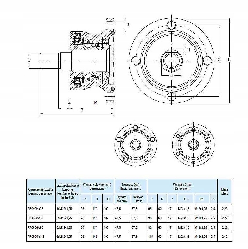
Тарілки тарілки, культивовані агрегати 4 -х, вільні отвори 4x98 BAA
Код: 17209895982
2414 грн
Ціна вказана з доставкою в Україну
Товар є в наявності
ЯК ЕКОНОМИТИ НА ДОСТАВКЕ?
Замовляйте велику кількість товарів у цього продавця
Інформація
- Час доставки: 7-10 днів
- Стан товару: новий
- Доступна кількість: 14
Заказывая «Губ -концентратор, культивируемые агрегаты 4 обслуживания -безымянные отверстия 4x98 BAA» данный товар из каталога «Выращивание земли», вы можете получить дополнительную скидку 4%, если произведете 100% предоплату. Размер скидки вы можете увидеть сразу при оформлении заказа на сайте. Внимание!!! Скидка распространяется только при заказе через сайт.
