ТЕРМОЗАПОБІЖНИК 15A-135°C R5 GP 250VAC КОМПЛЕКТ
Код: 16736885819
367 грн
Ціна вказана з доставкою в Україну
Товар є в наявності
ЯК ЕКОНОМИТИ НА ДОСТАВКЕ?
Замовляйте велику кількість товарів у цього продавця
Інформація
- Час доставки: 7-10 днів
- Стан товару: новий
- Доступна кількість: 36
Просматривая «ТЕРМОПРЕДОХРАНИТЕЛЬ 15A-135°C R5 GP 250VAC НАБОР», вы можете быть уверены, что данный товар из каталога «Предохранители» будет доставлен из Польши и проверен на целостность. В цене товара, указанной на сайте, учтена доставка из Польши. Внимание!!! Товары для Евросоюза, согласно законодательству стран Евросоюза, могут отличаться упаковкой или наполнением.
ТЕРМОЗАПОБІЖНИК 15A-135°C R5 GP 250VAC КОМПЛЕКТ
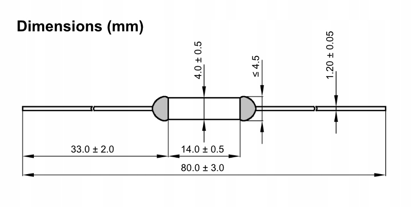
Термозапобіжник з осьовими проводами. . Запобіжник спрацьовує, коли температура навколишнього середовища перевищує температуру плавлення запобіжника.
ТЕХНІЧНІ ДАНІ: - Максимальна напруга: 250В - Максимальний струм: 15 А - Захисна температура: 135°C - Розміри (без шпильок): O4,2 мм × довжина 14 мм
Код товару BTB135C15
