Тиск на вікна та двері: герметичність стабілізується
Код: 13715765596
436 грн
Ціна вказана з доставкою в Україну
Товар є в наявності
ЯК ЕКОНОМИТИ НА ДОСТАВКЕ?
Замовляйте велику кількість товарів у цього продавця
Інформація
- Час доставки: 7-10 днів
- Стан товару: новий
- Доступна кількість: 9955
Просматривая «Тиск на вікна та двері: герметичність стабілізується», вы можете быть уверены, что данный товар из каталога «Блокировки» будет доставлен из Польши и проверен на целостность. В цене товара, указанной на сайте, учтена доставка из Польши. Внимание!!! Товары для Евросоюза, согласно законодательству стран Евросоюза, могут отличаться упаковкой или наполнением.
ЯК ВІКОННИК
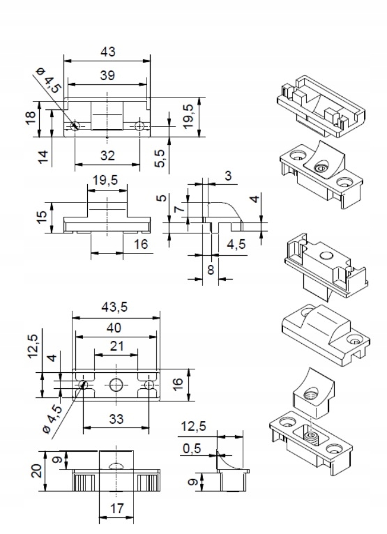
Пропоную універсальний хомут для вікон та дверей ПВХ, який герметизує стулки та підходить до більшості профілів на ринку.
Увага, деякі профілі вимагають використання зовнішніх затискачів.
Пропонована кількість: 1 комплект
Регульований прихований затискач від MEDOS.
Затискач підходить для таких профілів, як:
- Aluplast
- Gealan< /li>
- Kommerling
- Salamander
- Rehau
- та інші з класичним яскравим рифом
У набір входить:
- фіксований елемент рами
- регульований елемент крила
- чотири гвинти Wurth 4,1x25 ul>
Елементи зі сплаву цинку та алюмінію, стійкі до корозії та характеризуються високою міцністю.
