Топ-гоночний високотехнологічний 2T 50CCM Derbi Senda Piaggio двигун
- Час доставки: 7-10 днів
- Стан товару: новий
- Доступна кількість: 3
Просматривая «Top Racing High-Tech 2t 50ccm Derbi Senda Piaggio Engine», вы можете быть уверены, что данный товар из каталога «Коленчатые валы» будет доставлен из Польши и проверен на целостность. В цене товара, указанной на сайте, учтена доставка из Польши. Внимание!!! Товары для Евросоюза, согласно законодательству стран Евросоюза, могут отличаться упаковкой или наполнением.
Топ-гоночний високотехнологічний 2T 50CCM Derbi Senda Piaggio двигун
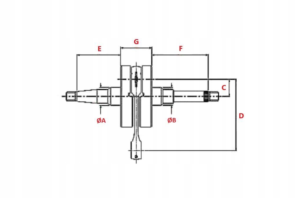
колінчастий вал Топ-гоночний високотехнологічний 2T 50 см. Код товару: WAJ603102 характерний Продукт: · карбійський вал Top Racing/Jasil для двигунів 2T 50 см · високотехнологічні Топ -флагманська модель · найвищий Заміна якості, не відрізняється від оригінальної частини · зроблений з найвищої якості матеріалів та належним чином зібрані гарантії Сила будівництва до 18000 об / хв · підшипник Поршень - 12x17x15 мм · Розміри: A - 20,00 мм B - 20,00 мм C - 20,00 мм D - 90,00 мм E - 57,00 мм f - 50,00 мм G - 46,00 мм · вироблений Відповідно до стандартів якості ISO Заявка: Aprilia RS RS4 RX SX, Derbi Senda R GPR, GILERA SM RCR SMT Деталі в "підходящих до "та таблиці нижче Jasil - португальська компанія, що займається обробкою металів, основна діяльність якої - це виробництво деталей та аксесуарів для мотоциклів та Скутер. Результат - 70 років досвіду та прагнення до досконалості Постійні інвестиції в нові технології, розробка нових продуктів, догляд за Якість з концентрацією на кінцевому одержувачі
