TOYOTA AVENSIS T22 (1998-2003) РЕМОНТ ТА БУДІВНИЦТВО
- Час доставки: 7-10 днів
- Стан товару: новий
- Доступна кількість: 1
Просматривая «TOYOTA AVENSIS T22 (1998-2003) РЕМОНТ ТА БУДІВНИЦТВО» данный товар из каталога «Инструкции по ремонту» вы можете быть уверены, что после оформления заказа, доставки в Украину, вы получите именно то, что заказывали, в оговоренные сроки и европейского качества.
TOYOTA AVENSIS T22 (98-03) ОПИС КОНСТРУКЦІЇ ТА РЕМОНТ
КЕРІВНИЦТВО ПО РЕМОНТУ ТА ОПИС КОНСТРУКЦІЇ АВТОМОБІЛЯ
TOYOTA AVENSIS T22 (бензинові двигуни)
моделі випуску з 1998 року по січень 2003 року
Хочете знати як відремонтувати автомобіль Toyota Avensis T22?
Консультаційна служба видавництва Haynes готова допомогти.
УВАГА!
Пропонована книга видана англійською мовою (недоступна в польськомовній версії).
У книзі описується автомобіль Toyota Avensis (заводське позначення T22), моделі з 1998 по Січень 2003 року, оснащений двигунами бензиновими. Посібник містить опис версій седан (седан), хетчбек і комбі (універсал).
Бензинові двигуни:
4-циліндровий, рядний DOHC 16V, випускався до серпня 2000
- двигун об'ємом 1,6 л (1587 см3) - двигун4A-FE,
- двигун об'ємом 1,8 л ( 1762 см3) - двигун 7A-FE,< /li>
- двигун об'ємом 2,0 л (1998 см3) - двигун 3SE-FE,
4-циліндровий, в- лінійка DOHC 16V VVT-i, випускається з серпня 2000 р.
- двигун об'ємом 1,6 л (1598 см3) - двигун 3ZZ-FE,
- двигун об'ємом 1,8 літра (1794 см3) - двигун 1ZZ-FE,
- двигун об'ємом 2,0 літра (1998 см3) - двигун 1AZ-FSE,
У книзі бракує дані та параметри, характерні для версії Verso та моделей з дизельним двигуном.
УВАГА!
Пропонована книга опублікована англійською мовою (недоступна в Польська версія).
Toyota Avensis 1998 - Jan 2003 (R to 52 reg) Бензин
Haynes Service and Repair Manual
Ремонтна книга, видана англійським видавництвом Хейнс (Haynes Publishing Group), є справжнім компендіумом знань майстерні. Його зміст — це цінна колекція порад і практичних порад щодо обслуговування. Посібник з обслуговування Haynes, безсумнівно, стане в нагоді як кваліфікованому механіку автомайстерні, так і пересічному користувачеві транспортного засобу, який бажає замінити масло в домашньому гаражі або зробити дрібний ремонт самостійно.
Варто згадати що автомобільні посібники Хейнса створені на основі повного розбирання автомобіля або мотоцикла на частини досвідченими механіками, а потім його повторного складання та детального покрокового документування кожного виду діяльності. Таким чином створюється дуже детальний опис автомобіля, збагачений численними фотографіями та складальними кресленнями. Важливим елементом сервісної книжки є схеми електроустановки автомобілів і мотоциклів.
Типовий посібник Haynes Manuals містить:
Опис та ідентифікація моделі
Примітки з техніки безпеки
Аварійний ремонт на шляху
- Що робити, якщо ваша машина не заводиться?
- Способи аварійного запуску двигуна (позиковий запуск)
- Заміна колеса
- Ідентифікація витоків
- Буксирування автомобіля
Технічне обслуговування (щотижневі перевірки)
- Список пунктів перевірки та перевірки
- Перевірка рівня масла
- Перевірка рівня охолоджуючої рідини
- Перевірка рівня омивача
- Перевірка стану шин і тиску в них
- Перевірка рівня гальмівної рідини та рідини зчеплення
- Перевірка рідини в системі гідропідсилювача керма
- Перевірка та оцінка стану склоочисників
- Перевірка ефективності акумулятора
- Перевірка електричних систем і систем автомобіля
- Мастила та робочі рідини - список
- Тиск у шинах – таблиця типових розмірів коліс
Технічне обслуговування транспортних засобів
- Звичайне технічне обслуговування автомобіля
- Специфікація надання послуг
- Графік технічного обслуговування та періодичних перевірок
- Обсяг технічного обслуговування
Ремонт та техогляд автомобілів
- Обслуговування двигуна та відповідних систем
- Процедури ремонту та поради щодо обслуговування
- Процедура розбирання та огляду двигуна
- Система охолодження, опалення та кондиціювання повітря
- Паливна та вихлопна система
- Каталітичний нейтралізатор і система контролю викидів вихлопних газів
- Стартер і генератор
- Система запалювання
Спорядження
- Зчеплення
- Ручна коробка передач
- Автоматична коробка передач
- Привідні вали
Гальма та підвіска автомобіля
- Гальмівна система
- Підвіска та рульове керування
Обладнання автомобіля Toyota Avensis T22
- Кузов і обладнання
- Електрообладнання
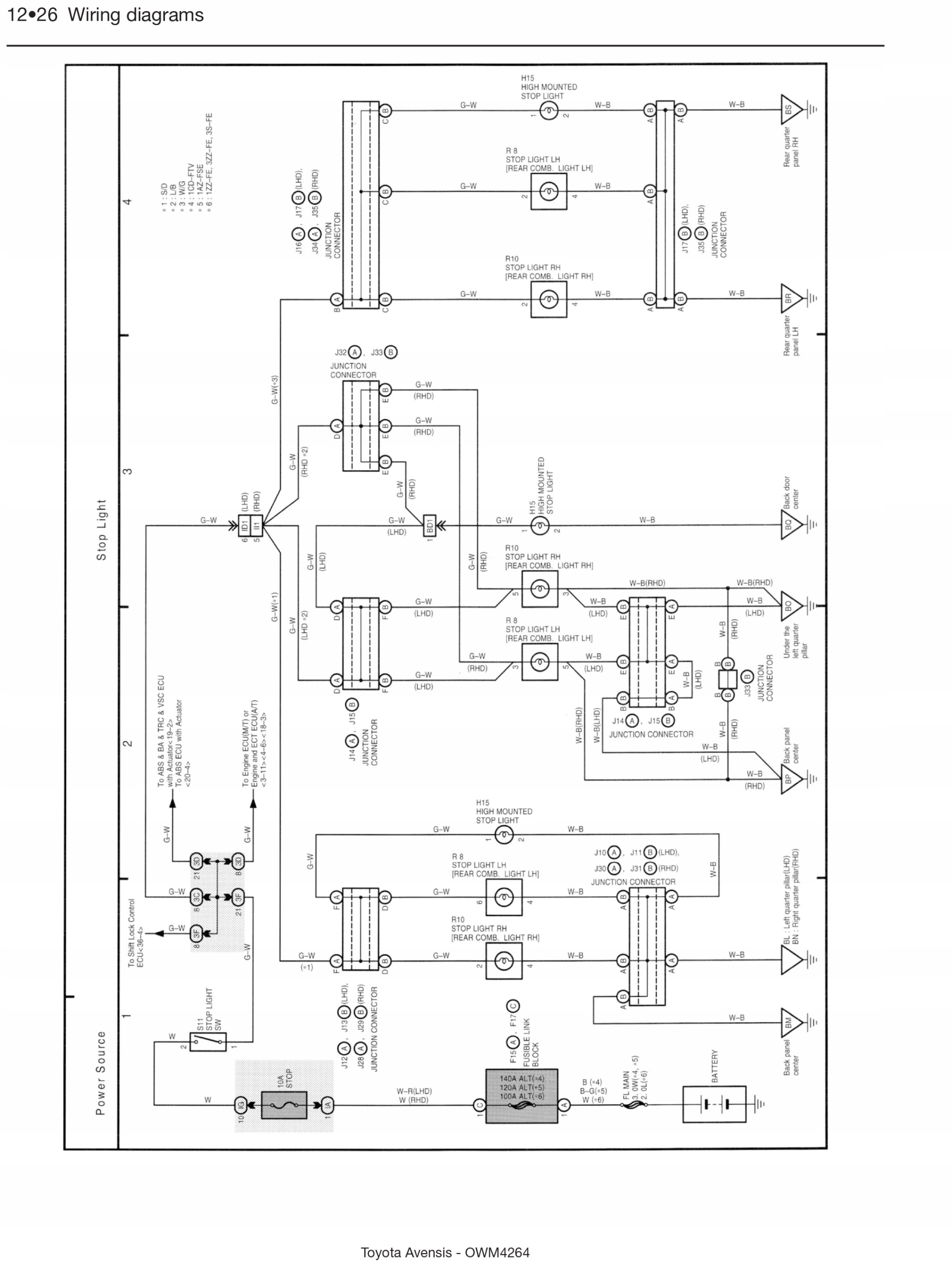
- Електричні схеми
приклад:
Характеристики автомобіля Toyota Avensis T22
- Розміри та вага автомобіля
- Конверсія агрегатів
- Придбання запасних частин
- Ідентифікація та маркування автомобіля
- Загальні процедури ремонту
- Підйом автомобіля
- Від'єднання акумулятора
- Інструменти та умови роботи
- Перевірки технічного стану
- Діагностика та виявлення помилок
- Словник технічних термінів
Книга по ремонту, керівництво по експлуатації Toyota Avensis T22 , включає моделі 1998-2003 років - будь ласка, купуйте!
