ТРАНСФОРМАТОР СТРУМУ F&F 400 / 5A 10VA TI-400-5
- Час доставки: 7-10 днів
- Стан товару: новий
- Доступна кількість: 1
Оплачивая «ТРАНСФОРМАТОР СТРУМУ F&F 400 / 5A 10VA TI-400-5» данное изделие из «Датчики и преобразователи» вы можете быть уверены, что после оформления заказа, доставки в Украину, вы получите именно то, что заказывали, в оговоренные сроки и европейского качества.
F&F, Трансформатор струму 400/5A 10VA TI-400-5
- Код продукту: TI-400-5
- Тип: однофазний
- Конструкція: із закритим сердечником
- Редуктор LP/LS: 400/ 5< /li>
- Клас: 0,5
- Потужність [ВА]: 10 ВА
- Частота : 50÷60 Гц
- Максимальна робоча напруга: 0,66 кВ змінного струму
- Номер стандарту: IEC 60044 -1
- Номінальний вторинний струм Is: 5 A
- Напруга пробою ізоляції: 3 кВ/1 хв. li>
- Вага: 0,305 кг
- Коефіцієнт безпеки: FS ˂ 5
- S1/S2 підключення: гвинтові клеми 4 мм²
- Розміри отворів P1/P2 - A1/A2/A3xB; C [мм]: 40 мм/30 мм/ - × 10 мм; Ø30 мм
- Розміри ШxВxГ [мм]: 75 мм × 99 мм × 40 мм
- Момент затягування: 0,5 Нм< /li>
- Робоча температура: -5÷40°C
- Положення установки: вертикально/горизонтально
- Встановлення:плата/шина
- Рівень захисту:IP20
Опис продукту
- Однофазний трансформатор струму
- із закритим сердечником
- Трансмісія 400/5.
- Потужність 10 ВА.
Трансформатор струму використовується для пропорційної зміни великих струмів на менші значення, адаптовані до діапазонів вимірювання контрольно-вимірювальних приладів.
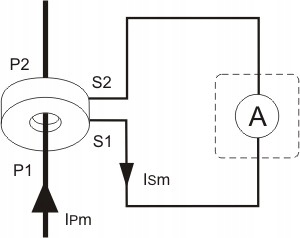
Робота
Крізь основний отвір трансформатора (P1/P2) проходить кабель із виміряним струмом, що еквівалентно одному витку первинної обмотки. Виводи вторинної обмотки S1 і S2 підключаються до затискачів вимірювального кола контрольного або вимірювального приладу.
Відношення струмів в обох обмотках є постійною величиною і називається коефіцієнтом струму: IPn/ISn=N, де IPn - номінальний первинний струм; ISn - номінальний вторинний струм; N - значення передачі. За значенням струму, що протікає через вторинну обмотку, можна визначити значення струму, що протікає через первинну обмотку: ISm*N=IPm, де ISm - виміряний первинний струм; IPm - виміряний вторинний струм.
Увага!
- Рекомендується підключати вторинну систему кабелем діаметром не менше 2,5 мм².
- Рекомендоване заземлення клеми S2.
- Від’єднання вторинної системи заборонено під час роботи трансформатора (можливість високої напруги, що призведе до ураження людей електричним струмом або пошкодження пристрою ).
