Транспортний набір перемикає з варіатором 3 фази 0,55 кВт PM040 1/5
Код: 17536051743
26840 грн
Ціна вказана з доставкою в Україну
Товар є в наявності
ЯК ЕКОНОМИТИ НА ДОСТАВКЕ?
Замовляйте велику кількість товарів у цього продавця
Інформація
- Час доставки: 7-10 днів
- Стан товару: новий
- Доступна кількість: 1
Просматривая «Транспортный набор REDER с вариаторной 3 фазой 0,55 кВт PM040 1/5», вы можете быть уверены, что данный товар из каталога «[rubrica_name]» будет доставлен из Польши и проверен на целостность. В цене товара, указанной на сайте, учтена доставка из Польши. Внимание!!! Товары для Евросоюза, согласно законодательству стран Евросоюза, могут отличаться упаковкой или наполнением.
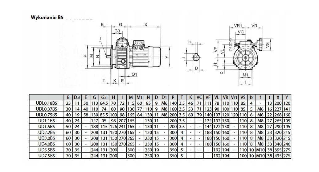
Технічні дані передачі:
- Модель: PM 040
- Фланець для двигуна: 71 B5 160 мм
- Діаметр втулки для двигуна: 14 мм
- Алюміній
- редакція редакції: i = 5 у поєднанні з двигуном 1400 р.
Engine technical data:
- Power voltage - three -phase 230/400V
- Mechanical size - 71
- Rated power KW - 0.55
- B5 160mm
- Corps - aluminum
- winding - copper
