Універсальна сходи F40 RGB RGBW MONO ANIMATION
- Час доставки: 7-10 днів
- Стан товару: новий
- Доступна кількість: 100
Оплачивая «Универсальная лестничная клетка F40 RGB RGBW Mono Animation», вы можете быть уверены, что данный товар из каталога «Драйверы» будет доставлен из Польши и проверен на целостность. В цене товара, указанной на сайте, учтена доставка из Польши. Внимание!!! Товары для Евросоюза, согласно законодательству стран Евросоюза, могут отличаться упаковкой или наполнением.
Найважливіші особливості продукту:
- Універсальний світлодіод F40 елегантний контролер сходової кортики (працює з RGB, RGBW, одноколірним та Цифрові стрічки CCT)
- Драйвер польської компанії, дуже високої якості, в встановлених інструкціях (на польських) та схемах з'єднання - ми передбачаємо придбання технічної підтримки
- На інших аукціонах ми маємо цифрові стрічки, що співпрацюють з вищезазначеним контролером (усі моделі) та джерела живлення - ми раді допомогти вам вибрати оптимальний набір, пристосований до ваших потреб B>
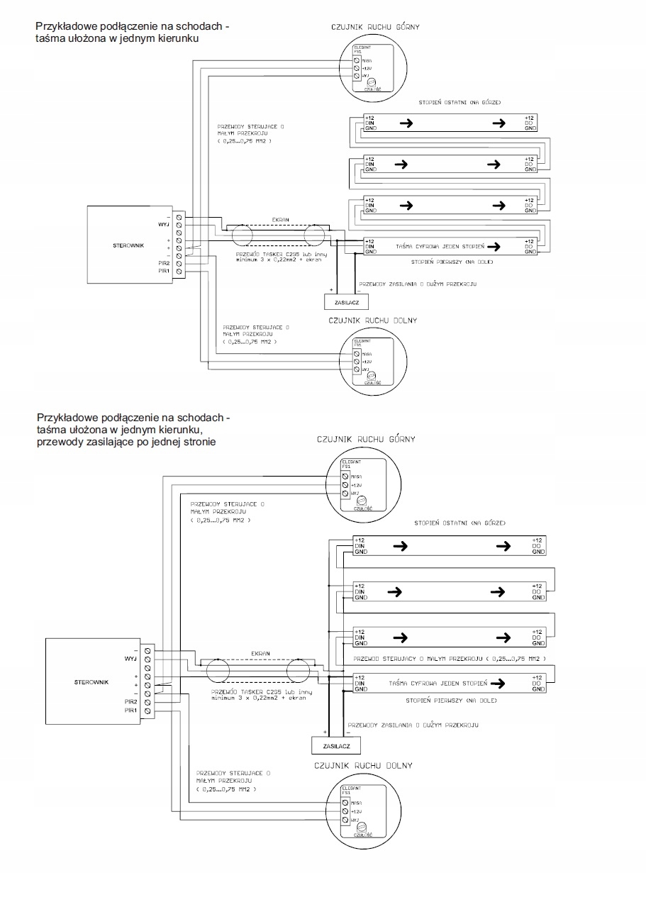
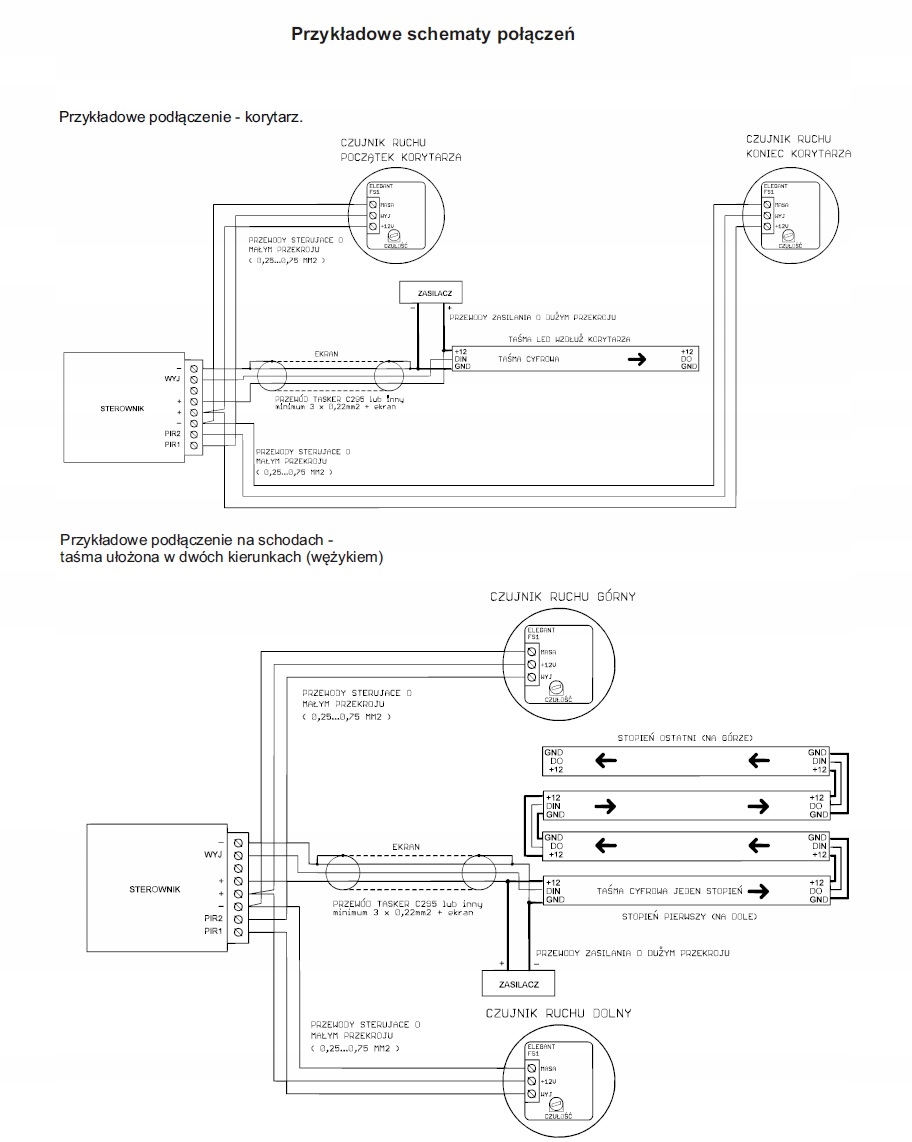
Контролер також може працювати в режимі коридору. Залежно від того, яку сторону коридору ми введемо контролер, звільнить ефект розробленої лінії світла.
fut089- Oight -Channel віддалений
Контролер F40 та рейтинг дозволяє отримати анімовану (розробку) підсвічування коридору або сходи. Контролер працює з світловідбиваючими датчиками руху (наприклад, типом FS1), які використовуються для виявлення людини, що піднімається по сходах або проходить коридор. Присутність людини викликає анімацію, яка розвивається відповідно до напрямку його руху. Анімація "завитає" після встановленого часу. У сходах контролер дозволяє 67 ефектів та в коридорі 28 ефектів
Контролер був розроблений для співпраці з різними інтегрованими ланцюгами, і, таким чином, багато типів цифрових стрічок (RGB, RGBW TM1814, RGBW SK6812, CCT WS2811, CCT TM1814, Mono). Перед початком роботи з невеликою викруткою, перемикайте нижню частину контролера до відповідного типу світлодіодної смуги. SK6812
Параметри контролера рульового коридору F20
- Параметри контролера коридору F40
- Напруга потужності: 5 ... 24v -entry для датчиків: Активний низький стан, Low state, pulled inputs Plus power supply with 3,6khm resistors inside the controller
- Supported integrated circuits (digital diodes): WS2811, WS2812S, WS2812B, WS2812D, WS2813, WS2815, WS2818, PD9823, SK6812, TM1803 , TM1804, TM1809, TM1814, UCS 3, UCS1909, UCS1912, UCS2903, UCS2909, UCS2912, APA104
- Максимальний світлодіодний PO на живленні через DC Connector (5.5/2,1 мм): 5a Li> Максимальний світлодіод з джерелом живлення через роз'єм гвинта: 8a
- Розміри: 60 x 84 x 30 мм
Таблиця містить інформацію про кількість підтримуваних пікселів залежно від типу світлодіодної цифрової стрічки.
Фільм, що представляє приклади ефектів. Будь ласка, скопіюйте та вставте задане посилання у веб -браузері
https://youtu.be/abfpt0ajc3e
візуалізація, представляючи ефекти, які ми отримуємо завдяки використанню контролера F40. Будь ласка, скопіюйте та вставте задане посилання у веб -браузері.
Перевірте інші наші аукціони. Ми пропонуємо широкий спектр цифрових та музичних драйверів та SD.
Ми безпосередньо імпортуємо цифрові стрічки та світлодіодні цифрові модулі.
Завдяки контролеру ми можемо легко створити сучасне та інноваційне освітлення сходів або коридору. Встановлення всього набору не викликає великих проблем. Ми підключаємо стрічки послідовно, пам’ятаючи, щоб підтримувати правильний напрямок сигналу (стрічки стрічки) до контролера, підключіть лише три дроти (сигнал, плюс, маса), що значно спрощує всю установку.
