Універсальний підвіска меблів Білий / зліва
- Час доставки: 7-10 днів
- Стан товару: новий
- Доступна кількість: 939
Просматривая «Универсальная мебельная подвеска белая правая / слева», вы можете быть уверены, что данный товар из каталога «Вешалки» будет доставлен из Польши и проверен на целостность. В цене товара, указанной на сайте, учтена доставка из Польши. Внимание!!! Товары для Евросоюза, согласно законодательству стран Евросоюза, могут отличаться упаковкой или наполнением.
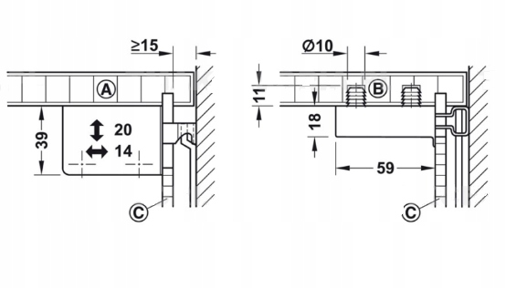
набір (p + l) підвісної компанії Hafele
білий, посилений
(290.00.710 + 290.00.711)
дуже популярний і часто використовується качани для підвісних кухонних шаф. Також корисний в інших подібних столярних рішеннях. Пропозиція стосується набору, тобто одного лівого та правого підвіски. Легкість навантаження для пари - 130 кг.
Додаткова інформація:
Матеріал: оцинкована сталь, пластик
Налаштування: два -рівень.
колір: білий
