VBPDE 3/8 "30L/хв C/Rub.
- Час доставки: 7-10 днів
- Стан товару: новий
- Доступна кількість: 269
Просматривая «VBPDE 3/8 "30L/MIN C/RUB.», вы можете быть уверены, что данный товар из каталога «Гидравлическая система» будет доставлен из Польши и проверен на целостность. В цене товара, указанной на сайте, учтена доставка из Польши. Внимание!!! Товары для Евросоюза, согласно законодательству стран Евросоюза, могут отличаться упаковкой или наполнением.
vbpde c/rub 3/8 rub "
" замок "до подвійного приводу
виробництво:
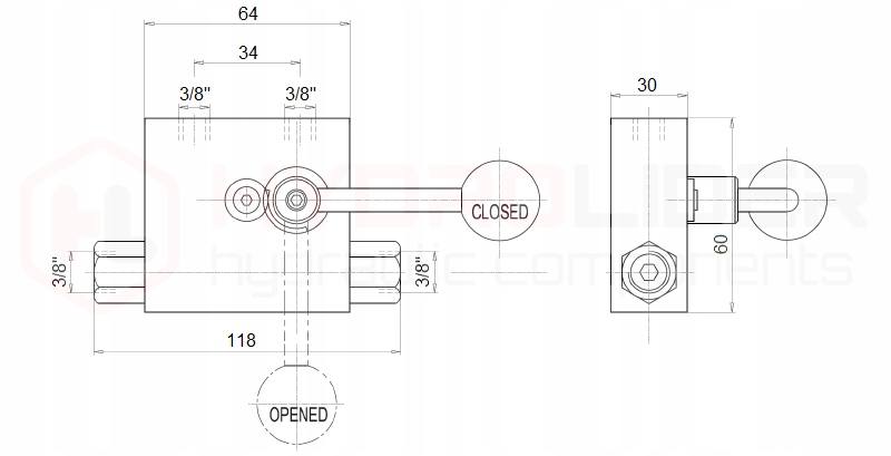
оригінальний італійський продукт олеодінаміки Marchesini, символ: vbpde c/rub 3/8"; 1.35.17.012
Застосування:
має широке використання в гідравлічних системах у сільському господарстві, садах, лісовому господарстві, будівництві та широко зрозумілому промисловості. блокування руху приводу в обох напрямках. Забезпечує стабілізацію положення поршня, коли ми не контролюємо колектор і великі сили працюють на приводі. Блокування клапана перестає працювати, коли ми починаємо керувати гідравлічним колектором. Підключіть С1 і С2 до приймача, наприклад подвійний актор. Потік від V1 до C1 та від V2 до С2 відкривається, коли тиск працює на V1 або V2.
Technical data:
- Maximum flow: 30 l/min
- The number of hydraulic holes in the body: 4
- Internal threads in the body: 3/8 '' [BSP]
- Material of the Corps: Galvanized steel
- 350 bar
- Flow opening pressure from V to C: 3 Bar
- Weight: 0.960 kg
Oil range and type of oil:
- Permissible ambient temperature: -40 C to +60 C
- permissible oil temperature: -15 C to +80 C to +80 C to +80 C C
- Oil type: hydraulic Нафта на основі мінеральної олії
Гідравлічна діаграма ValveVBPDE (фото):
