Ведуче колесо 16B1 Z15 1 дюйм 15 зуб.
- Час доставки: 7-10 днів
- Стан товару: новий
- Доступна кількість: 15
Оплачивая «Ведуче колесо 16B1 Z15 1 дюйм 15 зуб.» данное изделие из «Остальные» вы можете быть уверены, что после оформления заказа, доставки в Украину, вы получите именно то, что заказывали, в оговоренные сроки и европейского качества.
Ланцюгове колесо з маркуванням 16B1 Z15.
Це маркування можна розшифрувати так:
16 – крок колеса в цьому випадку становить 1 дюйм. Значення в дюймах отримується шляхом ділення кроку з маркування на число 16 (наприклад, колесо 16B1 – це колесо з кроком 1 дюйм).
B1 – колесо однорядне
Z – кількість зубів Кількість зубів змінюється на 1 зуб Найменша стандартна кількість зубів становить 8.
Колесо виготовлено зі сталі C45, обід колеса науглерожений і загартований індукцією. Зуби колеса досягають висока твердість понад 55HRC, а втулка залишилася м'якою - її легко обробити.
Колесо, запропоноване на аукціоні, є напівфабрикатом, який потребує розгортання.
У нашому магазині ви також можете придбати колеса, розвернуті до певного діаметру (перевірте аукціон «Послуга розширювання») або виготовлені у версії з гніздом TaperLock.
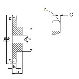
Розміри коліс:
Dp = 122,17 мм
De = 133 мм
h1 = 16,2 мм
H = 40 мм
D = 16 мм - Примітка - пілотний отвір - не допускається
d = 92 мм
r = 26 мм
C = 2,5 мм
Наша компанія є прямим імпортером ланцюгових коліс. У нас є в наявності колеса з кроком 05, 06, 08, 10, 12, 16, 20, 24 і більше з номерами рядів B1, B2 і B3. Доступні всі колеса вони доступні відразу на наших аукціонах - вони є на складі.
Доступні номери зубів: 8, 9, 10, 11, 12, 13, 14, 15, 16, 17, 18, 19 , 20 , 21, 22, 23, 24, 25, 26, 27, 28, 29, 30, 31, 32, 33, 34, 35, 36, 37, 38, 39, 40, 41, 42, 43, 44 , 45 , 46, 50, 54, 55, 56, 57, 74, 76, 80, 95, 114
Усі запропоновані колеса доступні з втулкою та без неї.
На на наших аукціонах ви також придбаєте відповідний ланцюг та інші елементи в області техніки трансмісії, такі як вали, муфти, ремені, колеса, шестерні та інші. p>
Ми також пропонуємо продукти в галузі пневматики.
