ВЕНТИЛЬ ПЕРЕКЛЮЧУВАЛЬНИЙ ВУ2П 3/8 "45L 450бар ОМ
- Час доставки: 7-10 днів
- Стан товару: новий
- Доступна кількість: 485
Заказывая «ВЕНТИЛЬ ПЕРЕКЛЮЧУВАЛЬНИЙ ВУ2П 3/8 "45L 450бар ОМ» данный товар из каталога «Гидравлические клапаны», вы можете получить дополнительную скидку 4%, если произведете 100% предоплату. Размер скидки вы можете увидеть сразу при оформлении заказа на сайте. Внимание!!! Скидка распространяется только при заказе через сайт.
АЛЬТЕРНАТИВНИЙ ГІДРАВЛІЧНИЙ КЛАПАН
VU2P 3/8"
Виробництво:
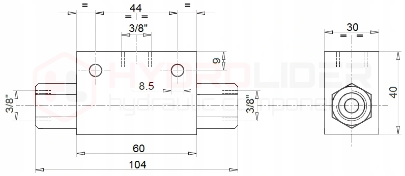
Оригінальний італійський продукт бренду Oleodinamica Marchesini, символ: ВУ2П 3/8"; 1.35.42.010
Застосування:
Він широко використовується в гідравлічних системах у сільському господарстві, садівництві, лісництві, будівництві та широкому розумінні промисловості.
Альтернативний перемикаючий клапан призначений для систем, де встановлено два джерела живлення, наприклад, два насоси, що живлять один ресивер або гідравлічну лінію.
Принцип дії:
Клапан дозволяє живити систему від насоса, який отримує вищий тиск у певний момент. Ця система забезпечує максимальне використання потенціалу в системі, що складається з кількох джерел живлення зі змінним тиском.
Підключення:
Підключіть P і P1 до ліній живлення. і C до приймача.
Технічні дані:
- Максимальний потік: 45 л/хв
- Кількість гідравлічних отворів в корпусі: 2
- Зовнішня різьба в корпусі: 3/8" [BSP]
- Матеріал корпусу: оцинкована сталь
- Максимальний тиск: 450 бар
- Вага: 0,530 кг
- li>
Діапазон температур і тип масла:
- Допустима температура навколишнього середовища: від -40 C до +60 C
- Допустима температура масла: від -15 C до +80 C
- Тип масла: гідравлічне масло на основі мінерального масла
Гідравлічне схема клапана послідовності VU2P (фото) :
