ВТУЛКА ПЕРЕДАЧ SUZUKI SX4 SEDICІ
- Час доставки: 7-10 днів
- Стан товару: новий
- Доступна кількість: 2
Приобретая «ВТУЛКА ПЕРЕДАЧ SUZUKI SX4 SEDICІ» данный товар из каталога «Рулевые колонки» вы можете быть уверены, что после оформления заказа, доставки в Украину, вы получите именно то, что заказывали, в оговоренные сроки и европейского качества.
НОВА НАПРАВЛЯЮЧА ВТУЛКА ДЛЯ ПЛАНОЧКИ ПЕРЕДАЧ/КОЛЯСКИ
Деталі для:
FIAT SEIDICI (2009 - 2014) p>
SUZUKI SX4 (2006 - 2013) .
У випадку люфту та стуку передач дуже поширеною причиною є зношена (зношена) направляюча рукав.
____________________________________________________
ЦІНА ЗА ШТУКУ!
_______________________________________________________
Виробник: ORPAV/ EMMETEC
Номери: L- M6059
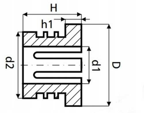
РОЗМІРИ (у мм):
- d1: 25
- d2: 30
- D: 31,7
- h1: 5,2
- H : 31
Розмірна фотографія рукава нижче.
___________________________________________________________
Товар надійно запакований.
___________________________________________________________
