ВТУЛКА ШЕСТЕРНІ KIA VENGA SOUL IX20
- Час доставки: 7-10 днів
- Стан товару: новий
- Доступна кількість: 9
Оплачивая «ВТУЛКА ШЕСТЕРНІ KIA VENGA SOUL IX20» данное изделие из «Монтажные детали» вы можете быть уверены, что после оформления заказа, доставки в Украину, вы получите именно то, что заказывали, в оговоренные сроки и европейского качества.
НОВА НАПРАВЛЯЮЧА ВТУЛКА ДЛЯ ПОЛОСКИ ТРАНСМІСІЇ/ШЕСТЕРНІ ХОДУ
Деталі для:
HYUNDAI ix20 (2010 - )
KIA VENGA (2010 - )
KIA SOUL (2009- 2014)
_______________________________________________________
Коробка передач /втулка рульового механізму рульове керування з електричним підсилювачем керма з діаметром смуги 25 мм.
У разі люфту або стуку шестерні дуже поширеною причиною є вибитий (знос) направляюча втулка.
____________________________________________________
ЦІНА ЗА ШТУКУ!
_______________________________________________________
Виробник: ORPAV /EMMETEC
номер: L-M6122
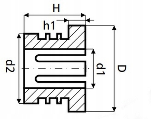
РОЗМІРИ (у мм):
- d1: 25< /li>
- d2: 32
- D: 33
- h1: 3,4
- H: 25,5
Розмірне фото рукава нижче.
___________________________________________________________
Товар надійно запакований.
_____________________________________________________________
