VUB 3/8 клапан, що захищає від розтріскування кабелю
- Час доставки: 7-10 днів
- Стан товару: новий
- Доступна кількість: 1340
Просматривая «Vub 3/8 клапан, защищающий от растрескивания кабеля» данный товар из каталога «Гидравлические клапаны», вы можете получить дополнительную скидку 4%, если произведете 100% предоплату. Размер скидки вы можете увидеть сразу при оформлении заказа на сайте. Внимание!!! Скидка распространяется только при заказе через сайт.
Захист гідравлічного клапана
vuba 3/8 "картридж
виробництво:
оригінальний італійський продукт від Oleodinamica marchesini, символ: vub 3/8"; 1.35.45.010
Застосування:
має широке використання в гідравлічних системах у сільському господарстві, садах, лісовому господарстві, будівництві та широко зрозумілої галузі. завантаження.
захищає гідравлічні циліндри, які піддаються високому тиску. Потік нафти закривається у разі розриву кабелю, захищаючи від втрати масла в циліндрі та в причепах до раптового виходу з вивантаженої передачі.
Принцип дії:
відразу після розтріскування поштовх олії, який знаходиться в приводі, викликає клапан і зупиняє масло. Він залишається в положенні, в якому він був під час розриву кабелю. Таким чином, це дає час замінити пошкоджений кабель та повернутися на роботу без великих втрат та фінансових збитків та пов'язаний із забрудненням навколишнього середовища.
з'єднання:
підключити v до лінії живлення та c до приймача, наприклад гідравлічний циліндр.
Інтеграція:
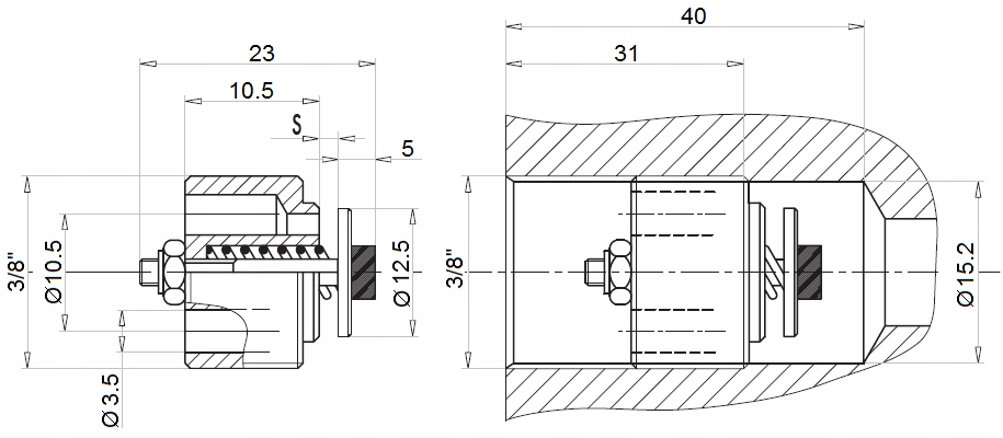
Для належної роботи VUB -клапана необхідний спеціальний корпус (фото):
Максимальний потік: 50 л/хв. Зовнішні потоки: 3/8 "[BSP] Корпус
гідравлічна діаграма клапана Vuba (фото):
