Загартована ланцюгова передача, 15/8 "зуби на ланцюзі 10В-1
Код: 17575772990
700 грн
Ціна вказана з доставкою в Україну
Товар є в наявності
ЯК ЕКОНОМИТИ НА ДОСТАВКЕ?
Замовляйте велику кількість товарів у цього продавця
Інформація
- Час доставки: 7-10 днів
- Стан товару: новий
- Доступна кількість: 1337
Просматривая «Закрашенная цепная передача, 15/8 дюйма на цепи 10B-1» данный товар из каталога «Части промышленного оборудования», вы можете получить дополнительную скидку 4%, если произведете 100% предоплату. Размер скидки вы можете увидеть сразу при оформлении заказа на сайте. Внимание!!! Скидка распространяется только при заказе через сайт.
Одиночне ланцюгове колесо
загартовано 15Z 5/8 "10 B-1
Виробництво:
Оригінальний продукт марки HydroLider, символ: 2.00.27.01.11.15
застосування:
.
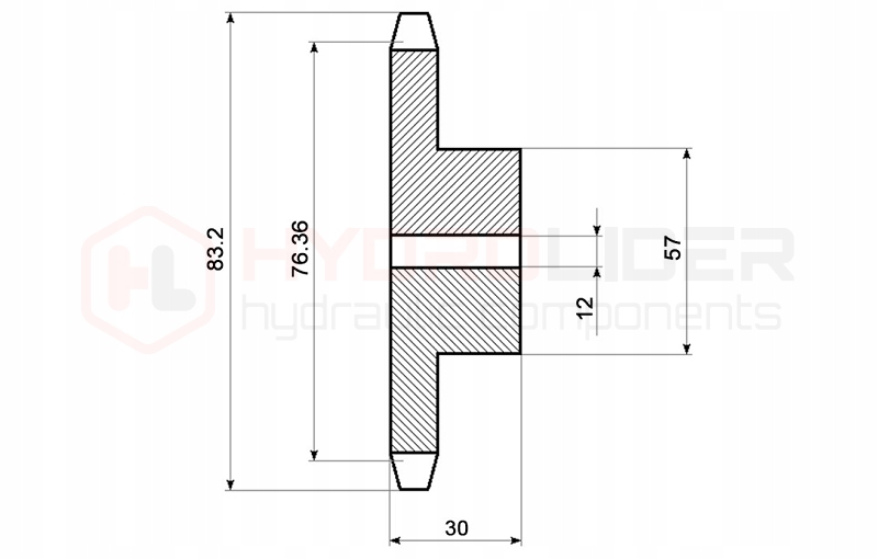
Технічні дані:
- Тип: одиночний
- розмір (тип) ланцюг: 10 B-1
- Кількість зубів: 15
- Діаметр робочого: 76,36 мм
- Зовнішній діаметр: 83,2 мм
- teeth: 9.1 мм Ширина: 30 мм
- Тип концентратора: один -розвідний
- Діаметр вставки: 57 мм
- Дарога в маточини: Так
- Діаметр отвору: 12 мм
- grove: Ні
- thriteded Hole: No
- Thriteded Hole: No
- 34.
- Матеріал: сталь C45
- Твердість зубів: HRC 45-55
