Загартована зірочка на 15 зубів 1/2" для ланцюга 08B-1
- Час доставки: 7-10 днів
- Стан товару: новий
- Доступна кількість: 100
Оплачивая «Закаленная звездочка с 15 зубьями 1/2" для цепи 08В-1.», вы можете быть уверены, что данное изделие из каталога «Удобрение» будет доставлено из Польши и проверено на целостность. В цене товара, указанной на сайте, учтена доставка из Польши. Внимание!!! Товары для Евросоюза, согласно законодательству стран Евросоюза, могут отличаться упаковкой или наполнением.
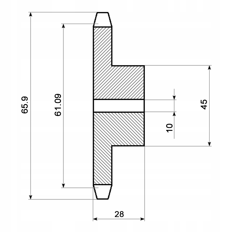
ОДНОЦЕНЗЕВЕ КОЛЕСО, ЗАГАРТУВАНЕ 15Z 1/2" 08 B-1
Символ: 2.00.27.01.1.08.15 Виробник деталі: Гідролідер Призначення:
Універсальна передача, призначена для передачі енергії в машинах і пристроях за допомогою приводного ланцюга. Цей тип трансмісії характеризується дуже високою міцністю та довговічністю.
Тип:
Неодружений
Розмір рядка:
08 B-1
Кількість зубів:
15
Робочий діаметр:
61,9 мм
Зовнішній діаметр:
65,9 мм
Ширина зуба:
7,2 мм
Загальна ширина:
28 мм
Тип концентратора:
односторонній
Діаметр втулки:
45 мм
Отвір втулки:
Так
Діаметр отвору:
10 мм
Шпонковий паз:
НІ
Різьбовий отвір:
НІ
Рекомендоване максимальне відкриття втулки:
27
Матеріал:
Сталь C45
Твердість зубів:
HRC 45-55
