ЗАМОК ПОЗИЦІОНУЮЧОГО КІЛЬЦЯ ШЕСТЕРНІ 32 мм 60Z TW
Код: 14237289051
756 грн
Ціна вказана з доставкою в Україну
Товар є в наявності
ЯК ЕКОНОМИТИ НА ДОСТАВКЕ?
Замовляйте велику кількість товарів у цього продавця
Інформація
- Час доставки: 7-10 днів
- Стан товару: новий
- Доступна кількість: 100
Заказывая «ЗАМОК ПОЗИЦІОНУЮЧОГО КІЛЬЦЯ ШЕСТЕРНІ 32 мм 60Z TW» данное изделие из «Кольца» вы можете быть уверены, что после оформления заказа, доставки в Украину, вы получите именно то, что заказывали, в оговоренные сроки и европейского качества.
➡️ ЗАМОК ПОЗИЦІОНУЮЧОГО КІЛЬЦЯ ПЕРЕДАЧІ 32 мм 60Z TW ⬅️
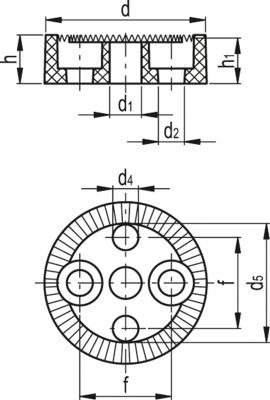
Параметри:
- Мін.: 1,2
- Ручка: фіксована
- C [Нм]: 80
- d5: 23,5
- h3: 18
- d4 : 5
- h1: 9
- f: 18
- d1: 6.3
- d2: 5
- d: 32
- h: 9.5
- Матеріал: Технополімер
- Код товару: RDB.32-60-F< /li>
Артикул: RDB.32-60-F
➡️ Фотографії товару можуть дещо відрізнятися від реального вигляду товару. Наприклад, можуть бути ілюстрації, на яких зображено виріб із іншою кількістю зубців, іншим діаметром або довжиною.
✅ На аукціоні ми продаємо товари, параметри яких вказані у верхній частині опису товару.
