K. to4200 self -help
- Час доставки: 7-10 днів
- Стан товару: новий
- Доступна кількість: 36
Просматривая «K. TO4200 Self -Help», вы можете быть уверены, что данный товар из каталога «[rubrica_name]» будет доставлен из Польши и проверен на целостность. В цене товара, указанной на сайте, учтена доставка из Польши. Внимание!!! Товары для Евросоюза, согласно законодательству стран Евросоюза, могут отличаться упаковкой или наполнением.
✔ Технічна:
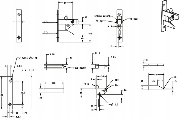
Номер деталі: to4200
ean : 5023353905995
одиниця : Art
бренд : немічне
Властивості :
Закрито замком
Матеріал : сталь
поверхнева обробка : гальванізована
ціна: 1 шт.
Крамп - лідер сільськогосподарської галузі Крамп - найбільший постачальник запасних частин у Європі для сільськогосподарської промисловості, лісового господарства та саду, Він є головним партнером підприємств сільськогосподарської, лісової промисловості, земляних робіт та турботи про зелене використання. Kramp - всебічний постачальник, який пропонує практично все, що потребує сучасної ферми - від невеликих запасних частин до завершення машин та систем.
