ЗАМОК SOUTHCO для стулок, натискна засувка
- Час доставки: 7-10 днів
- Стан товару: новий
- Доступна кількість: 9
Оплачивая «SOUTHCO LOCK для распашных дверей, прижимная защелка», вы можете быть уверены, что данное изделие из каталога «Закрытие» будет доставлено из Польши и проверено на целостность. В цене товара, указанной на сайте, учтена доставка из Польши. Внимание!!! Товары для Евросоюза, согласно законодательству стран Евросоюза, могут отличаться упаковкой или наполнением.
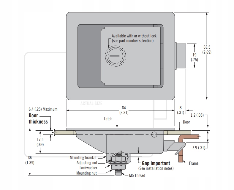
Плоский замок Southco, встановлений урівень, забезпечує легке керування.
� Виміряйте товщину дверей і відрегулюйте регулювальну гайку так, щоб зазор дорівнював товщині дверей з точністю + 0,8 мм (0,03 дюйма), - 0,0 мм (0,00). дюйм).
SOUTHCO Push-to-Close
✅ Це пристрій - механізм, в якому після натискання дверей або панелі замок автоматично втягується або замикається в рамі (без необхідності тягнути або повертати ручку).
Він не має функції замка, не може бути замкнутий. замок/замок.
Специфікація
✅ Діапазон захоплення: 7,9 мм (0,31 дюйма) - це максимальна товщина, до якої пристрій може ефективно працювати.
✅ Механізм роботи: Всередині засувки є бігунок. (фіксатор), який ковзає, щоб зафіксувати панель у рамі.
✅ Відкривання: Щоб відкрити, потрібно потягнути або підняти клапан/лопатку, що змушує повзунок ковзати вниз і відпускати панель.
✅ Закривання: Коли двері/панель натискається вниз, повзунок закривається за допомогою пружини. він ковзає та ковзає за рамою або частиною конструкції, фіксуючи панель у закритому стані (тобто вона закривається під час натискання).
✅Матеріал: Виготовлена з нержавіючої сталі – міцна та стійка до корозії.
✅Покриття: Брашована – поверхня з делікатними лініями (матова, антиблікова). обробка).
✅Мінімальна товщина зовнішньої панелі: 0,00 мм - тому вона може бути фактично тонкою до нуля (або без обмежень зовні)
✅Максимальна товщина зовнішньої панелі: 6,40 мм - якщо панель товща ніж 6,4 мм, засувка може не працювати правильно.
✅ Хід захвату (Grip): мінімум 7,00 мм, максимум 7,90 мм - тобто пристрій працює, якщо елемент, на який він діє, знаходиться в межах цього діапазону (товщина, яку потрібно «покрити» механізмом).
✅ Припасування: Виміряйте товщину ваших дверей і встановіть регулювальну гайку так, щоб зазор дорівнював дверцятам товщина з точністю + 0,8 мм (0,03 дюйма), - 0,0 мм (0,00 дюйма).
✅Максимальне робоче навантаження: 570N
Застосування
✅Цей тип засувок (push-to-close) використовується там, де ми хочемо легко закривати панелі, клапани, двері без використання ручки або механічні болти, напр. у корпусах машин, панелях обслуговування, стійках, камерах, промислових пристроях тощо.
✅ Завдяки конструкції з нержавіючої сталі та матовому покриттю він підходить для застосувань, де потрібна довговічність, стійкість до корозії, а також важлива естетика (покриття матовим покриттям виглядає елегантно та менше дряпається).
✅Через відсутність замка він не призначений для застосувань, де доступ захист потрібен - радше для панелей, які потрібно часто відкривати без ключа чи замка.
