Зірочка приводу ланцюга Makita для пилки DCS9010
- Час доставки: 7-10 днів
- Стан товару: новий
- Доступна кількість: 5
Заказывая «Зірочка приводу ланцюга Makita для пилки DCS9010» данное изделие из «Шестерни» вы можете быть уверены, что после оформления заказа, доставки в Украину, вы получите именно то, что заказывали, в оговоренные сроки и европейского качества.
* Ланцюгова зірочка Makita для бензопили/бензопили
нова оригінальна
( RIM SPROCKET 3/8" SD7-7 )
- Виробник: Makita
- Код EAN: 4002829034668
- Код виробника: 119224070
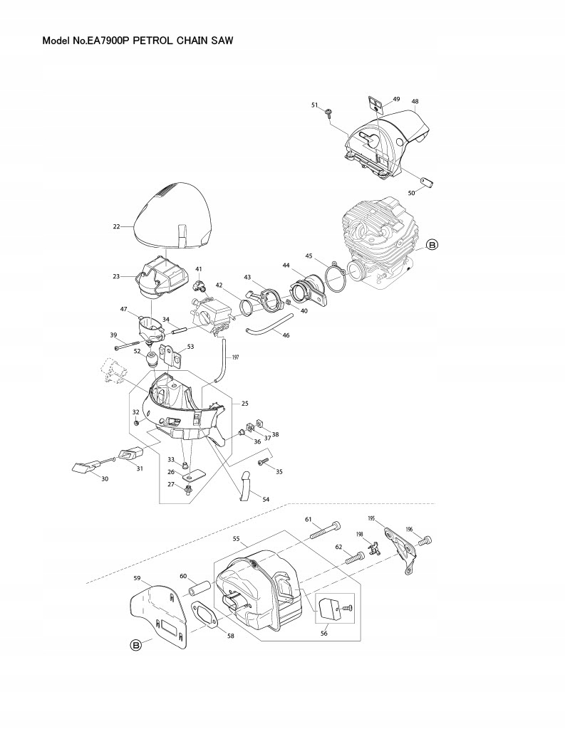
- Позиція на схемі: № 143 - EA7900P
Застосування
газова бензопила / бензопила
- EA7900P
- DCS9010
Перелік деталей для EA7900P
позиція на схемі, каталожний номер, опис товару, кількість:
1; 38310021 ПЕРЕДНЯ РУЧКА В ЗБОрі; 1
001-1; 140G06-9 ТРУБЧАТА РУЧКА CPL.; 1
2; 38310062 ЗАЖИМ; 1
3; 908006145 Х.Л. ГОЛОВКА М6Х14; 1
4; 913455164 Х.Л. РІЗНИК 5,5X16; 4
004-1; 266478-9 РІЗНИЙ ГВИНТ H.L. 5.5X16; 4
5; 38114660 БАК CPL.BLUE; 1
6; 957114061 КЛАПАН ПОВІТРЯНИЙ CPL.; 1
7; 38114631 ГРИП ПЛАСТИНА СИНЯ; 1
8; 38117020 ВАЖІЛЬ ЗАПИТАННЯ; 1
9; 38117030 КОРОМИСЛО; 1
10; 38117010 ВАЖІЛЬ дросельної заслінки; 1
11; 38117050 ПРУЖИНА; 1
12; 935930240 ШТИФТ ЦИЛІНДРИЧНИЙ 3X24; 1
012-1; 268233-5 PIN 3; 1
13; 935930280 ШТИФТ ЦИЛІНДРИЧНИЙ 3X28; 1
013-1; 268335-7 PIN 3; 1
14; 38117041 ТРОС КЕРУВАННЯ ДРОСЕЛЬНОЮ ЗАСЛІНКОЮ; 1
15; 913340204 ГОЛОВНИЙ БОЛТ М4Х20 З ГОЛОВКОЮ З ГОЛОВКОЮ ВІД ЦІННЯ; 1
16; 38114052 ПАЛИВОЛІНІЯ ДЛЯ ПАЛИВНОГО БАК; 1
17; 975001241 ПЕРЕМИКАЧ ЗУПИНКИ ДВИГУНА; 1
18; 10114050 TANK CAP ASSY; 1
19; 963228030 О-КІЛЬЦЕ 28; 1
20; 10114010 ГОЛОВКА ВСІСАННЯ (ПАЛИВО); 1
020-1; 163499-1 ВСАСІВНА ГОЛОВКА; 1
21; 10114020 ЗАП.КОМПЛЕКТ, ФІЛЬТР(ПОВСТЯНИЙ ЕЛЕМЕНТ); 1
22; 38118024 КРИШКА ЕЛЕМЕНТА ПОВІТРЯНОГО ФІЛЬТРУ ЧОРНА; 1
23; 38173011 ЕЛЕМЕНТ ПОВІТРЯНОГО ФІЛЬТРУ НЕЙЛОНОВА СІТКА; 1
023A_; 38173101 ЕЛЕМЕНТ ПОВІТРЯНОГО ФІЛЬТРУ ФЛІС; 1
25; 38118670 КАРБЮРАТОР КОРПУС У ЗБОрі СИНИЙ; 1
26; 38118110 ГУМОВИЙ КЛАПАН; 2
27; 938650062 ЗАКЛЕПКА; 2
28; 38118085 РЕГУЛЮВАЛЬНА НАПРАВЛЯЮЧА; 1
30; 38155052 ВАЛ ДРОСУЛЯ; 1
31; 38155020 КЕРІВНИК ДОСЛЕСУ; 1
32; 38118300 ВТУЛКА ГУМОВА; 1
33; 1118100 ВТУЛКА; 2
34; 38155060 ПРОСТАВКА 30ММ; 2
35; 908005205 H.L. ГОЛОВКА М5Х20; 2
035-1; 266476-3 H.L. ГОЛОВКА М5Х20; 2
035-2; 266476-3 H.L. ГОЛОВКА М5Х20; 2
36; 1118100 ВТУЛКА; 2
37; 38111050 ЗАЖИМ; 2
38; 38111060 ГАЙКА КВАДРАТНА M5; 2
038-1; 264108-6 КВАДРАТНА ГАЙКА М5; 2
39; 908204555 Х.Л. ГОЛОВКА М4Х55; 2
039-1; 266944-6 H.L. ГОЛОВКА М4Х55; 2
40; 921804004 ГАЙКА КВАДРАТНА М4; 2
41; 38155012 СТРИМАЮЧИЙ ЗАЖИМ; 1
42; 38131031 ВСТАВКА ДЛЯ Всмоктуючого Шланга; 1
43; 38171041 ФЛАНЕЦЬ; 1
44; 38131011 Всмоктувальний ШЛАНГ; 1
45; 38131070 ЗАЖИМ ІЗОЛЯТОРА КАРБЮРАТОРА; 1
045-1; 233625-7 ПРУЖИННИЙ ЗАЖИМ; 1
46; 965452382 МАСЛОСТІЙКИЙ ШЛАНГ D=3MM L=1M; 1
47; 38171012 З'ЄДНАННЯ МУФТА; 1
48; 38118050 КАПОТ ДВИГУНА ЧОРНИЙ; 1
49; 38118140 ПЛАСТИНА ПРОТИ ЗЛЕДЕНЕННЯ; 1
50; 38118130 КАБЕЛЬНА НАПРАВЛЯЮЧА; 1
050-1; 424751-5 КАБЕЛЬНА НАПРАВЛЯЮЧА; 1
51; 917105205 H.L. ГОЛОВКА М5Х20; 2
52; 38171031 ТРИМАЧ; 1
53; 38118100 Штекер; 1
54; 130118070 STEELCLIP; 2
55; 38174700 ГЛУШНИК (SLR); 1
055-1; 38174702 ГЛУШНИК (SLR); 1
56; 38174920 ЕКРАН ІСКРОГАСНИКА КПЛ.; 1
58; 38174811 ПРОКЛАДКА ГЛУШНИКА; 1
59; 38174023 ПЛИТА ТЕПЛОІЗОЛЯЦІЯ; 1
60; 38174030 ВТУЛКА 5 L=26,8ММ; 1
61; 908305405 Х.Л. БОЛТ М5Х40 З ЦІЛЬНОЮ ГОЛОВКОЮ; 1
061-1; 266943-8 H.L. БОЛТ М5Х40 З ЦІЛЬНОЮ ГОЛОВКОЮ; 1
62; 908405205 БОЛТ З ЦІНКОВОЮ ГОЛОВКОЮ M5X20; 2
062-1; 266960-8 H.L. ГОЛОВКА М5Х20; 2
63; 38130071 ЦИЛІНДР 52 ТА ПОРШНЕВИЙ НАБІР; 1
64; 38132070 ПОРШЕНЬ, ПОРШНЕВЕ КІЛЬЦЕ ТА ШТИФТ; 1
65; 38132020 КІЛЬЦЕ ПОРШНЕВЕ 52ММ; 1
065-1; 257381-5 КІЛЬЦЕ ПОРШНЕВЕ 52; 1
66; 38132041 ПОРШНЕВИЙ ПАЛІТ; 1
066-1; 257841-7 ПОРШНЕВИЙ ПАЛІТ; 1
67; 38132080 Стопорне затискач 12; 2
067-1; 234359-5 СТОПОРО 12; 2
68; 38118180 ДЕКОМПРЕСІЙНИЙ КЛАПАН ВЕРСІЯ 2; 1
69; 908805235 Х.Л. БОЛТ М5Х23 З ЦІЛЬНОЮ ГОЛОВКОЮ; 4
069-1; 266473-9 H.L. БОЛТ М5Х23 З ЦІЛЬНОЮ ГОЛОВКОЮ; 4
70; 38114152 ПРУЖИНА З РІЗЬБОВИМ ВХОДОМ
