Звукоізоляційна прокладка Oltens для унітазу та біде
Код: 7584311526
1307 грн
Ціна вказана з доставкою в Україну
Товар є в наявності
ЯК ЕКОНОМИТИ НА ДОСТАВКЕ?
Замовляйте велику кількість товарів у цього продавця
Інформація
- Час доставки: 7-10 днів
- Стан товару: новий
- Доступна кількість: 20
Заказывая «Звукоизоляционная прокладка Oltens для унитаза и биде» данный товар из каталога «Остальные», вы можете получить дополнительную скидку 4%, если произведете 100% предоплату. Размер скидки вы можете увидеть сразу при оформлении заказа на сайте. Внимание!!! Скидка распространяется только при заказе через сайт.
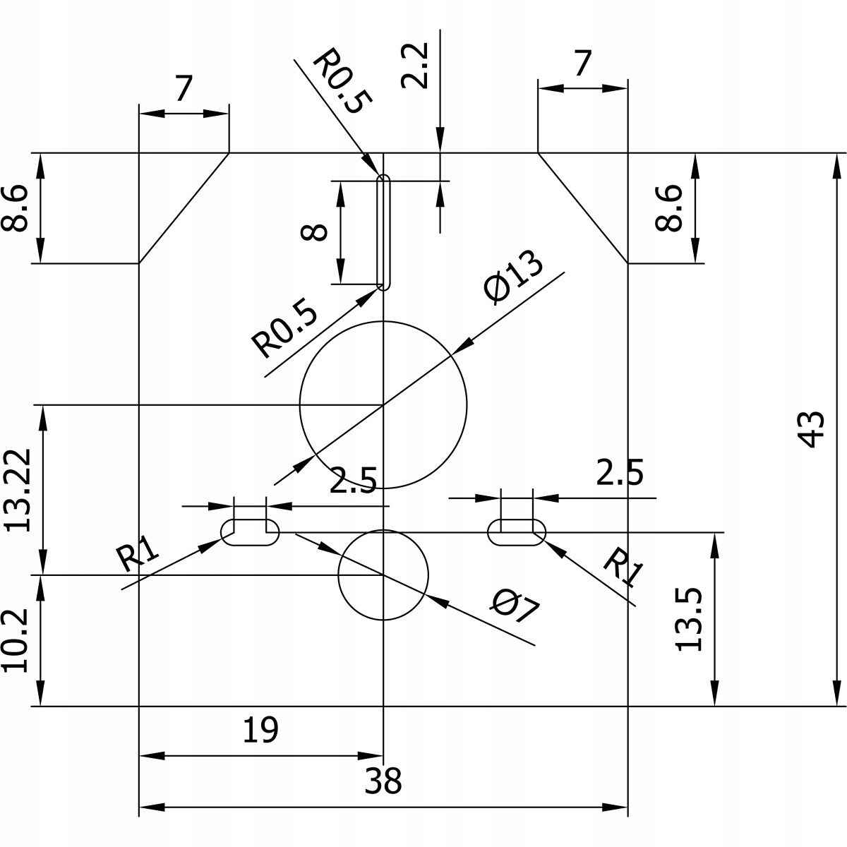
Шумоізоляційна прокладка Oltens для унітазу та біде
ОПИС ПРОДУКТУ
Шумоізолююча прокладка для унітазу та біде, крім основної функції захисту плитки, встановленої на стіні повним прихованим комплектом, від пошкоджень, виконує також функцію звукоізоляції. Килимок приглушить будь-які звуки, які виникають від тертя чаші або біде об поверхню стіни. Тож ви забудете про неприємні звуки у ванній кімнаті.
- зменшує звук від тертя чаші або біде об поверхню стіни
- забезпечує захист від пошкодження плитки, закріпленої на стіні з унітазом або біде
- завдяки м'якому матеріалу поглинає навантаження, що виникають під час користування унітазом або біде
- розміри 38 x 43 см
